OMRON IA Global
Sitemap Login Sign Up
Home > Support > FAQs
FAQs
로터리엔코더만으로 원점의 Z상 위치결정 가능 여부
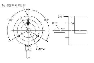
(1)E6B2-C,E6C2-CWZ□□는 본체에 있는 Z상 원점 위치 포인트를
샤프트의 D 컷트면과 맞추는 것으로 대략(±20°이내)의 위치 결정이
가능해집니다.
E6B2-C 외형도


E6C2-CWZ□□외형도


(2)E6C3-CWZ□□는 샤프트의 D컷트면과 케이블의 인출 방향이
아래의 위치가 되는 것으로 대략(±15°내외)의 위치 결정이
가능해집니다.
E6C3-CWZ□□H외형도


(3)그 외의 기종은 D 컷트면과 Z상 원점은 맞지 않으므로
콘트롤러측에서 Z상출력의 ON 점을 확인해서 원점조정 해 주십시요




 
FAQs
고객 문의
제품 A/S 안내
대리점 및 관련 회사 소개
GLOBAL NETWORK
GLOBAL SERVICE
Q & A
종합 대리점
전화 문의
전문 대리점
방문 문의
A/S 전문 대리점
종합 카탈로그
AOI & AXI 대리점
물류
Top of page
한국오므론제어기기주식회사
서울 서초구 강남대로 465, B동 18층 (서초동, 교보빌딩) 대표:김영호 / 사업장등록번호 : 211-87-79826
OMRON Korea | 개인정보 처리방침 | 이용약관 및 권장환경 | 마케팅 정보 활용방침 | 주문에 관한 동의 사항 |
한국 Autonics사에 대한 특허권 침해 소송 제기와 소송 판결(승소)의 통지
Copyright (C) 2008-2024 Omron Electronics Korea Co., Ltd. All Rights Reserved.