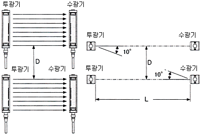
① 상호간섭하지 않는 거리까지 떨어뜨려 설치한다.
아래표(그림) 참조 후, 설치 허용거리 D이상, 떨어뜨려 설치해주시기
바랍니다.
■ 형태F3SN-A시리즈 / 형태 F3SH시리즈의 경우
■ 형태F3SN-B시리즈의 경우
② 직렬 연결에서의 사용 (형태 F3SN-A시리즈만)
아래 그림과 같이 3SET의 형태 F3SN-A시리즈를 직렬 연결하여 주실
수 있으면 3SET간으로의 상호간섭은 일어나지 않습니다.
직렬 연결은 최대 3SET (총 광축수 240광축)까지 가능합니다
③연결하지 않는 경우

⑤ 슬릿에 의한 감광
슬릿의 다양한 상품으로서는 아래와 같습니다.
■ 형F3SN시리즈 용 슬릿 스팩터 보호 커버
슬릿 폭 1.15mm:형 F39-HS□□□□A-14(혹은 25)
슬릿 폭 0.6mm :형 F39-HS□□□□B-14(혹은 25)
상기 형식 중 □□□□는,
세이프티 라이트 커튼 본체형 F3SN시리즈의 형식 안의 검출폭에
상당하는 4자리 수의 숫자가 들어갑니다.
● 세이프티 라이트 커튼 본체형 F3SN시리즈의 형식 말미가 –P14의 것은
슬릿 스팩터 보호 커버도 형식 말미가 -14의 것을 선정해 주시기
바랍니다.
▼ 형식 선정 예
세이프티 라이트 커튼 본체 형식 : 형F3SN-A1053P14(=검출폭1053mm)
의 경우에는,
슬릿 스팩터 보호커버 : 형 F39-HS1053A(혹은 B)-14가 됩니다.
● 세이프티 라이트 커튼 본체 형 F3SN 시리즈의 형식 말미가
-P25, -P40, -P70의 것은 슬릿 스팩터 보호 커버는 형식 말미가
-25의 것을 선정해 주시기 바랍니다.
▼ 형식 선정 예
세이프티 라이트 커튼 본체 형식 : 형 F3SN-B1507P40(=검출폭1507mm)
의 경우에는,
슬릿 스팩터 보호 커버 : 형 F39-HS1507A(혹은 B)-25가 됩니다.
■ 형F3SH시리즈 용 슬릿 스팩터 보호 커버
슬릿 폭 1.15mm:형F39-HSH09A
슬릿 폭 0.6mm :형F39-HSH09B