*1. 0ms로 설정 시 내부 소자의 지연에 의해 ON응답 시간 20μs이하, OFF 응답 시간 400μs이하가 됩니다.
*2. 단자 접속도에 기재되어 있는 단자 번호 A0A8, B0B8는 본 데이터 시트에서의 표기입니다. 유니트에는 기재되어 있지 않습니다.
주. 외부 입출력에 사용할 수 있는 것은 8점이지만 I/O할당상 16점(1 CH) 분 점유 합니다. 또 I/O 테이블상에서도 16점 유니트으로서 사용됩니다.
DC24V 입력 유니트16점 CJ1W-ID211
|
|
명칭
|
DC입력 유니트 (단자대, 16점)
|
|
형식
|
CJ1W-ID211
|
|
정격 입력 전압
|
DC24V
|
|
허용 입력 전압 범위
|
DC20.4~26.4V
|
|
입력 임피던스
|
3.3kΩ
|
|
입력 전류
|
7mA TYP.(DC24V)
|
|
ON 전압/ ON 전류
|
DC14.4V 이상/3mA 이상
|
|
OFF 전압/ OFF 전류
|
DC5V 이하/1mA 이하
|
|
ON 응답 시간
|
8.0ms 이하 (PLC 시스템 설정에 의해 0~32ms전환 가능)*1
|
|
OFF 응답 시간
|
8.0ms 이하 (PLC 시스템 설정에 의해 0~32ms전환 가능)*1
|
|
회로 수
|
16점(16점/커먼 1회로)
|
|
동시 ON점수
|
100% 동시 ON(DC24V시) 자세한 것은 밑그림 참조
|
|
절연 저항
|
외부 단자 일괄과 GR단자간 20MΩ (DC100V에서)
|
|
내전압
|
외부 단자 일괄과 GR단자간 AC1000V 1분간 누설 전류 10 mA이하
|
|
내부 소비 전류
|
DC5V:80mA 이하
|
|
질량
|
110g 이하
|
|
회로 구성
|

|

|
|
단자 접속도 *2
|

・ 입력 전원의 극성은 +,- 구분하지 않습니다.
|
* 1. 0ms로 설정 시 내부 소자의 지연에 의해 ON응답 시간 20μs이하, OFF 응답 시간 400μs이하가 됩니다.
* 2. 단자 접속도에 기재되어 있는 단자 번호 A0A8, B0B8는 본 데이터 시트에서의 표기입니다. 유니트에는 기재되어 있지 않습니다.
DC24 입력 유니트16점 CJ1W-ID212
|
|
|
명칭
|
DC입력 유니트(단자대,16점)
|
|
형식
|
CJ1W-ID212
|
|
정격 입력 전압
|
DC24V
|
|
허용 입력 전압 범위
|
DC20.4~26.4V
|
|
입력 임피던스
|
3.3kΩ
|
|
입력 전류
|
7mA TYP.(DC24V)
|
|
ON 전압/ ON 전류
|
DC14.4V 이상/ 3mA 이상
|
|
OFF 전압/ OFF 전류
|
DC5V 이하/1mA 이하
|
|
ON 응답 시간
|
8.0ms 이하 (PLC 시스템 설정에 의해 0~32ms전환 가능)*1
|
|
OFF 응답 시간
|
8.0ms 이하 (PLC 시스템 설정에 의해 0~32ms전환 가능)*1
|
|
회로 수
|
16점 (16점/커먼 1회로)
|
|
동시 ON점수
|
100% 동시 ON(DC24V시) 자세한 것은 밑그림 참조
|
|
절연 저항
|
외부 단자 일괄과 GR단자간 20MΩ (DC100V에서)
|
|
내전압
|
외부 단자 일괄과 GR단자간 AC1000V 1분간 누설 전류 10mA이하
|
|
내부 소비 전류
|
130mA 이하
|
|
질량
|
110g 이하
|
|
회로 구성
|

|

|
|
단자 접속도 *2
|

・입력 전원의 극성은 +,- 구분하지 않습니다.
|
*1. 0ms로 설정 시 내부 소자의 지연에 의해 ON응답 시간 15μs 이하.OFF 응답 시간 90μs 이하가 됩니다.
*2. 단자 접속도에 기재되어 있는 단자 번호 A0A8, B0B8는 본 데이터 시트에서의 표기입니다. 유니트에는 기재되어 있지 않습니다.
DC24V 입력 유니트 32점 CJ1W-ID231
|
|
명칭
|
DC입력 유니트(FUJITSU 커넥터, 32점)
|
|
형식
|
CJ1W-ID231
|
|
정격 입력 전압
|
DC24V
|
|
허용 입력 전압 범위
|
DC20.4~26.4V
|
|
입력 임피던스
|
5.6kΩ
|
|
입력 전류
|
4.1mA TYP.(DC24V)
|
|
ON 전압/ ON 전류
|
DC19.0 V이상/3mA이상
|
|
OFF 전압/ OFF 전류
|
DC5V 이하/1mA이하
|
|
ON 응답 시간
|
8.0 ms이하(PLC 시스템 설정에 의해 0~32ms전환 가능)*
|
|
OFF 응답 시간
|
8.0 ms이하(PLC 시스템 설정에 의해 0~32ms전환 가능)*
|
|
회로 수
|
32점(16점/커먼 2 회로)
|
|
동시 ON점수
|
75%(12점/커먼) 동시 ON(DC24V시) 상세 밑그림 참조
|
|
절연 저항
|
외부 단자 일괄과 GR단자간 20MΩ (DC100V에서)
|
|
내전압
|
외부 단자 일괄과 GR단자간 AC1000V 1분간 누설 전류 10mA 이하
|
|
내부 소비 전류
|
DC5V:90mA 이하
|
|
질량
|
70g 이하
|
|
부속품
|
없음
|
|
회로 구성
|

|

|
|
단자 접속도
|

・입력 전원의 극성은+,-어디라도 상관하지 않습니다.
・A9와 A18(COM0)는 반드시 양단자와도 배선해 주세요. 또 극성은 동일하게 해 주세요.
・B9와 B18(COM1)는 반드시 양단자와도 배선해 주세요 .또 극성은 동일하게 해 주세요.
|
* 0ms로 설정 시 내부 소자의 지연에 의해 ON응답 시간 20μs이하, OFF 응답 시간 400μs이하가 됩니다.
주. 2 선식 센서 접속시에는 아래와 같은 제한이 있습니다.
·입력 전원 전압을 ON전압(19 V)+센서의 잔류 전압(3 V정도) 이상으로 주세요.
·센서의 최소 부하 전류는 3mA 이상으로 사용해 주세요.
·최소 부하 전류 5mA 이상의 센서를 접속할 때에는 블리더 저항으로 접속해 주세요.
입력 유니트 (MIL 커넥터, 32점) CJ1W-ID232
|
|
명칭
|
DC 입력 유니트 (MIL 커넥터, 32점)
|
|
형식
|
CJ1W-ID232
|
|
정격 입력 전압
|
C24V
|
|
허용 입력 전압 범위
|
DC20.4~26.4V
|
|
입력 임피던스
|
5.6kΩ
|
|
입력 전류
|
4.1mA TYP.(DC24V)
|
|
ON 전압/ ON 전류
|
DC19.0V 이상/3mA 이상
|
|
OFF 전압/ OFF 전류
|
DC5V 이하/1mA 이하
|
|
ON 응답 시간
|
8.0ms 이하 (PLC 시스템 설정에 의해 0~32 ms전환 가능)*
|
|
OFF 응답 시간
|
8.0ms 이하 (PLC 시스템 설정에 의해 0~32 ms전환 가능)*
|
|
회로 수
|
32점 (16점/커먼 2 회로)
|
|
동시 ON점수
|
75% (12점/커먼) 동시 ON(DC24V시) 상세 밑그림 참조
|
|
절연 저항
|
외부 단자 일괄과 GR단자간 20MΩ(DC100V에서)
|
|
내전압
|
외부 단자 일괄과 GR단자간 AC1000V 1분간 누설 전류 10mA 이하
|
|
내부 소비 전류
|
DC5V:90mA 이하
|
|
질량
|
70g 이하
|
|
부속품
|
없음
|
|
회로 구성
|

|

|
|
단자 접속도
|

·입력 전원의 극성은+,-어디라도 상관없습니다.
·23에서 24(COM0)는 반드시 양단자와도 배선해 주세요. 또 극성은 동일하게 해 주세요.
·3에서 4(COM1)는 반드시 양단자와도 배선해 주세요. 또 극성은 동일하게 해 주세요.
|
*0ms로 설정 시 내부 소자의 지연에 의해 ON응답 시간 20μs이하, OFF 응답 시간 400μs이하가 됩니다.
주. 2 선식 센서 접속시에는 아래와 같은 제한이 있습니다.
•입력 전원 전압을 ON전압(19 V)+센서의 잔류 전압(3 V정도) 이상으로 주세요.
•센서의 최소 부하 전류는 3mA이상으로 사용해 주세요.
•최소 부하 전류 5mA이상의 센서를 접속할 때에는 블리더 저항으로 접속해 주세요.
DC24V 입력 유니트32점 CJ1W-ID233
|
|
명칭
|
DC 입력 유니트 (MIL 커넥터, 32점)
|
|
형식
|
CJ1W-ID233
|
|
정격 입력 전압
|
DC24V
|
|
허용 입력 전압 범위
|
DC20.4~26.4V
|
|
입력 임피던스
|
5.6kΩ
|
|
입력 전류
|
4.1mA TYP.(DC24V)
|
|
ON 전압/ ON 전류
|
DC19.0V 이상/3mA 이상
|
|
OFF 전압/ OFF 전류
|
DC5V 이하/1mA 이하
|
|
ON 응답 시간
|
8.0ms 이하 (PLC 시스템 설정에 의해 0~32 ms전환 가능)*
|
|
OFF 응답 시간
|
8.0ms 이하 (PLC 시스템 설정에 의해 0~32 ms전환 가능)*
|
|
회로 수
|
32점 (16점/커먼 2 회로)
|
|
동시 ON점수
|
75% (12점/커먼) 동시 ON(DC24V시) 자세한 것은 밑그림 참조
|
|
절연 저항
|
외부 단자 일괄과 GR단자간 20MΩ(DC100V에서)
|
|
내전압
|
외부 단자 일괄과 GR단자간 AC1000V 1분간 누설 전류 10mA 이하
|
|
내부 소비 전류
|
200mA 이하
|
|
질량
|
70g 이하
|
|
부속품
|
없음
|
|
회로 구성
|

|

|
|
단자 접속도
|

·입력 전원의 극성은+,-어디라도 상관없습니다.
·23에서 24(COM0)는 반드시 양단자와도 배선해 주세요. 또 극성은 동일하게 해 주세요.
·3에서 4(COM1)는 반드시 양단자와도 배선해 주세요. 또 극성은 동일하게 해 주세요.
|
*0ms로 설정 시 내부 소자의 지연에 의해 ON응답 시간 15μs이하, OFF 응답 시간 90μs이하가 됩니다.
주. 2 선식 센서 접속시에 아래와 같은 제한이 있습니다.
•입력 전원 전압을 ON전압(19 V)+센서의 잔류 전압(3 V정도) 이상으로 주세요.
•센서의 최소 부하 전류는 3mA 이상으로 사용해 주세요.
•최소 부하 전류 5mA이상의 센서를 접속할 때에는 블리더 저항으로 접속해 주세요.
DC24V 입력 유니트 64점 CJ1W-ID261
|
|
명칭
|
DC 입력 유니트 (FUJITSU 커넥터, 64점)
|
|
형식
|
CJ1W-ID261
|
|
정격 입력 전압
|
DC24V
|
|
허용 입력 전압 범위
|
DC20.4~26.4V
|
|
입력 임피던스
|
5.6kΩ
|
|
입력 전류
|
4.1mA TYP.(DC24V)
|
|
ON 전압/ ON 전류
|
DC19.0V 이상/ 3mA 이상
|
|
OFF 전압/ OFF 전류
|
DC5V 이하/ 1mA 이하
|
|
ON 응답 시간
|
8.0ms 이하 (PLC 시스템 설정에 의해 0~32ms 전환 가능)*
|
|
OFF 응답 시간
|
8.0ms 이하 (PLC 시스템 설정에 의해 0~32ms 전환 가능)*
|
|
회로 수
|
64점 (16점/커먼 4회로)
|
|
동시 ON점수
|
50% (16점/커먼) 동시 ON(DC24V시) 상세 밑그림 참조
|
|
절연 저항
|
외부 단자 일괄과 GR단자간 20MΩ (DC100V에서)
|
|
내전압
|
외부 단자 일괄과 GR단자간 AC1000V 1분간 누설 전류 10mA 이하
|
|
내부 소비 전류
|
DC5V:90mA 이하
|
|
질량
|
110g 이하
|
|
부속품
|
없음
|
|
회로 구성
|

|

|
|
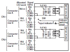
단자 접속도
|
 
·입력 전원의 극성은+,-어디라도 상관없습니다.
·CN1의 A9에서 A18(COM0)는 반드시 양단자와도 배선해 주세요. 또 극성은 동일하게 해 주세요.
·CN1의 B9에서 B18(COM1)는 반드시 양단자와도 배선해 주세요. 또 극성은 동일하게 해 주세요.
·CN2의 A9에서 A18(COM2)는 반드시 양단자와도 배선해 주세요. 또 극성은 동일하게 해 주세요.
·CN2의 B9에서 B18(COM3)는 반드시 양단자와도 배선해 주세요. 또 극성은 동일하게 해 주세요.
|
*0ms로 설정 시 내부 소자의 지연에 의해 ON응답 시간 120μs이하, OFF 응답 시간 400μs이하가 됩니다.
주. 2 선식 센서 접속시에 아래와 같은 제한이 있습니다.
•입력 전원 전압을 ON전압(19 V)+센서의 잔류 전압(3 V정도) 이상으로 주세요.
•센서의 최소 부하 전류는 3mA이상으로 사용해 주세요.
•최소 부하 전류 5mA이상의 센서를 접속할 때에는 블리더 저항으로 접속해 주세요.
DC24V 입력유니트 64점 CJ1W-ID262
|
|
명칭
|
DC 입력 유니트 (MIL 커넥터, 64점)
|
|
형식
|
CJ1W-ID262
|
|
정격 입력 전압
|
DC24V
|
|
허용 입력 전압 범위
|
DC20.4~26.4V
|
|
입력 임피던스
|
5.6kΩ
|
|
입력 전류
|
4.1mA TYP.(DC24V)
|
|
ON 전압/ ON 전류
|
DC19.0V 이상/3mA 이상
|
|
OFF 전압/ OFF 전류
|
DC5V 이하/1mA 이하
|
|
ON 응답 시간
|
8.0ms 이하 (PLC 시스템 설정에 의해 0~32ms전환 가능)*
|
|
OFF 응답 시간
|
8.0ms 이하 (PLC 시스템 설정에 의해 0~32ms전환 가능)*
|
|
회로 수
|
64점 (16점/커먼 4 회로)
|
|
동시 ON점수
|
50% (8점/커먼) 동시 ON(DC24V시) 상세 밑그림 참조
|
|
절연 저항
|
외부 단자 일괄과 GR단자간 20MΩ (DC100V에서)
|
|
내전압
|
외부 단자 일괄과 GR단자간 AC1000V 1분간 누설 전류 10 mA이하
|
|
내부 소비 전류
|
DC5V:90mA 이하
|
|
질량
|
110 g이하
|
|
부속품
|
없음
|
|
회로 구성
|

|

|
|
단자 접속도
|
 
·입력 전원의 극성은+,-어디라도 상관 없습니다.
·CN1의 23에서 24(COM0)는 반드시 양단자와도 배선해 주세요. 또 극성은 동일하게 해 주세요.
·CN1의 3에서 4(COM1)는 반드시 양단자와도 배선해 주세요. 또 극성은 동일하게 해 주세요.
·CN2의 23에서 24(COM2)는 반드시 양단자와도 배선해 주세요. 또 극성은 동일하게 해 주세요.
·CN2의 3에서 4(COM3)는 반드시 양단자와도 배선해 주세요. 또 극성은 동일하게 해 주세요.
|
*0ms로 설정 시 내부 소자의 지연에 의해 ON응답 시간 120μs이하, OFF 응답 시간 400μs이하가 됩니다.
주. 2 선식 센서 접속시에 아래와 같은 제한이 있습니다.
•입력 전원 전압을 ON전압(19 V)+센서의 잔류 전압(3 V정도) 이상으로 주세요.
•센서의 최소 부하 전류는 3mA이상으로 사용해 주세요.
•최소 부하 전류 5mA이상의 센서를 접속할 때에는 블리더 저항으로 접속해 주세요.
AC200V 입력 유니트 8점 CJ1W-IA201
|
|
명칭
|
AC입력 유니트 (단자대, 8점)
|
|
형식
|
CJ1W-IA201
|
|
정격 입력 전압
|
AC200~240V 50/60Hz
|
|
허용 입력 전압 범위
|
AC170~264V
|
|
입력 임피던스
|
21kΩ(50Hz) 18kΩ(60Hz)
|
|
입력 전류
|
9mA TYP.(AC200V 50Hz) 11mA TYP.(AC200V 60Hz)
|
|
ON 전압/ ON 전류
|
AC120V 이상/4mA 이상
|
|
OFF 전압/ OFF 전류
|
AC40V 이하/2mA이하
|
|
ON 응답 시간
|
18 ms이하(PLC 시스템 설정이 초기설정시(8ms)*1
|
|
OFF 응답 시간
|
48 ms이하(PLC 시스템 설정이 초기설정시(8ms)*1
|
|
회로 수
|
8점(8점/커먼 1회로)
|
|
동시 ON점수
|
100%(8점/커먼) 동시 ON
|
|
절연 저항
|
외부 단자 일괄과 GR단자간 20MΩ(DC500V에서)
|
|
내전압
|
외부 단자 일괄과 GR단자간 AC2000V 1분간 누설 전류 10mA 이하
|
|
내부 소비 전류
|
DC5V:80mA 이하
|
|
질량
|
130g 이하
|
|
부속품
|
없음
|
|
회로 구성
|

|
|
단자 접속도 *2
|

|
*1. PLC 시스템 설정의 「기본 I/O유니트의 입력 ON응답 시간(OFF 응답 시간) 설정」에 따라 0ms/0.5ms/1ms/2ms/4ms/8ms/16 ms/32 ms으로 전환 가능합니다. 0ms로 설정 시 내부 소자의 지연에 의해 ON응답 시간 10 ms이하, OFF 응답 시간 40 ms이하가 됩니다.
*2. 단자 접속도에 기재되어 있는 단자 번호 A0A8, B0B8는 본 데이터 시트에서의 표기입니다. 유니트에는 기재되어 있지 않습니다.
주. 외부 입출력에 사용할 수 있는 것은 8점이지만 I/O할당상 16점(1 CH) 분 점유 합니다. 또 I/O테이블상에서도 16점 유니트로 다루어집니다.
AC100V 입력 유니트 16점 CJ1W-IA111
|
|
명칭
|
AC입력 유니트 (단자대, 16점)
|
|
형식
|
형태 CJ1W-IA111
|
|
정격 입력 전압
|
AC100~120V 50/60Hz *2
|
|
허용 입력 전압 범위
|
AC85~132V
|
|
입력 임피던스
|
14.5kΩ(50 Hz) 12kΩ(60 Hz)
|
|
입력 전류
|
7mA TYP. (AC100V 50 Hz) 8mA TYP. (AC100V 60 Hz)
|
|
ON 전압/ ON 전류
|
AC70V 이상/4mA 이상
|
|
OFF 전압/ OFF 전류
|
AC20V 이하/2mA 이하
|
|
ON 응답 시간
|
18ms 이하 (PLC 시스템 설정이 초기설정시 (8 ms)*1
|
|
OFF 응답 시간
|
48ms 이하 (PLC 시스템 설정이 초기설정시 (8 ms)*1
|
|
회로 수
|
16점 (16점/커먼 1회로)
|
|
동시 ON점수
|
100% (16점/커먼) 동시 ON
|
|
절연 저항
|
외부 단자 일괄과 GR단자간 20MΩ (DC500V에서)
|
|
내전압
|
외부 단자 일괄과 GR단자간 AC2000V 1분간 누설 전류 10mA 이하
|
|
내부 소비 전류
|
DC5V:90mA 이하
|
|
질량
|
130 g이하
|
|
부속품
|
없음
|
|
회로 구성
|

|
|
단자 접속도 *3
|

|
*1. PLC 시스템 설정의 「기본 I/O유니트의 입력 ON응답 시간(OFF 응답 시간) 설정」에 따라 0ms/0.5ms/1ms/2ms/4ms/8ms/16 ms/32 ms으로 전환 가능합니다. 0 ms로 설정시 내부 소자의 지연에 의해 ON응답 시간 10 ms이하, OFF 응답 시간 40 ms이하가 됩니다.
*2. 2 선식 센서 접속시에는 입력 전압을 AC90V 이상으로 사용해 주십시오.
*3. 단자 접속도에 기재되어 있는 단자 번호 A0A8, B0B8는 본 데이터 시트에서의 표기입니다. 유니트에는 기재되어 있지 않습니다.
입력 유니트의 비트 할당
|
8 점 입력 유니트
|
CIO주소 할당
|
신호 명칭
|
|
CH
|
비트
|
|
mCH
(입력)
|
0
|
IN0
|
|
1
|
IN1
|
|
:
|
:
|
|
6
|
IN6
|
|
7
|
IN7
|
|
8
|
−
|
|
9
|
−
|
|
:
|
:
|
|
14
|
−
|
|
15
|
−
|
32점 입력 유니트
|
CIO주소 할당
|
신호 명칭
|
|
CH
|
비트
|
|
mCH
(입력)
|
0
|
IN0
|
|
1
|
IN1
|
|
:
|
:
|
|
14
|
IN14
|
|
15
|
IN15
|
|
(m+1)CH
(입력)
|
0
|
IN0
|
|
1
|
IN1
|
|
:
|
:
|
|
14
|
IN14
|
|
15
|
IN15
|
|
|
16 점 입력 유니트
|
CIO주소 할당
|
신호 명칭
|
|
CH
|
비트
|
|
mCH
(입력)
|
0
|
IN0
|
|
1
|
IN1
|
|
:
|
:
|
|
14
|
IN14
|
|
15
|
IN15
|
64점 입력 유니트
|
CIO주소 할당
|
신호 명칭
|
|
CH
|
비트
|
|
mCH
(입력)
|
0
|
IN0
|
|
1
|
IN1
|
|
:
|
:
|
|
14
|
IN14
|
|
15
|
IN15
|
|
(m+1)CH
(입력)
|
0
|
IN0
|
|
1
|
IN1
|
|
:
|
:
|
|
14
|
IN14
|
|
15
|
IN15
|
|
(m+2)CH
(입력)
|
0
|
IN0
|
|
1
|
IN1
|
|
:
|
:
|
|
14
|
IN14
|
|
15
|
IN15
|
|
(m+3)CH
(입력)
|
0
|
IN0
|
|
1
|
IN1
|
|
:
|
:
|
|
14
|
IN14
|
|
15
|
IN15
|
|