OMRON IA Global
Sitemap Login Sign Up
스위칭 파워 서플라이(240/480/960/2000W 타입)
S8VK-WA
3상 200V~240V 입력으로 3상 평형 문제 해결
 마이 페이지에 스크랩하기
Service Info
    대체상품보기
대체상품이 존재하지 않습니다.
특징
|
종류
|
상세사양
외형도
자료 다운로드
|
 

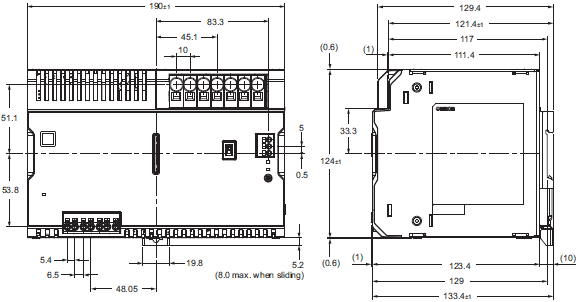
(단위: mm)

S8VK-WA24024

S8VK-WA 치수 1

S8VK-WA48024

S8VK-WA 치수 2

S8VK-WA96024

S8VK-WA 치수 3

S8VK-WA20224

S8VK-WA 치수 4

장착 브라켓(별도 주문)

S8VK-WA 치수 5

참고: 전면 장착 브라켓은 전면, 나란히 장착에도 사용할 수 있습니다.

DIN 레일 장착(별도 주문)

DIN 레일(재질: 알루미늄)

PFP-100N
PFP-50N

S8VK-WA 치수 7

PFP-100N2

S8VK-WA 치수 8

엔드 플레이트

PFP-M

S8VK-WA 치수 9

주1. 진동 및 충격이 가해질 가능성이 있는 경우, 알루미늄의 마모로 인한 고철이 발생할 수 있으므로
        철제 DIN 레일을 사용해 주십시오.
 2. 제품이 옆으로 미끄러질 수 있는 경우, 엔드 플레이트(PFP-M)를 본체 양 끝에 설치하십시오.

Top of page
한국오므론제어기기주식회사
서울 서초구 강남대로 465, B동 18층 (서초동, 교보빌딩) 대표:김영호 / 사업장등록번호 : 211-87-79826
OMRON Korea | 개인정보 처리방침 | 이용약관 및 권장환경 | 마케팅 정보 활용방침 | 주문에 관한 동의 사항 |
한국 Autonics사에 대한 특허권 침해 소송 제기와 소송 판결(승소)의 통지
Copyright (C) 2008-2024 Omron Electronics Korea Co., Ltd. All Rights Reserved.