OMRON IA Global
Sitemap Login Sign Up
온도 조절기(디지털 조절계)
E5EC / E5EC-B
48 × 96mm 사이즈
큰 백색 PV 표시로보기 쉽게 시인성을 향상
선정에서 조작, 설정까지 용이성을 추구
입출력 점수 등의 기능•성능도 충실.
해당 응용 프로그램의 폭이 UP
E5EC-B는 제어반의 가치를 높이는 "Value Design for Panel"대응.
 마이 페이지에 스크랩하기
Service Info
    대체상품보기
대체상품이 존재하지 않습니다.
   Select Country
    E5EC / E5EC-B
일본(일문) 
Global(영문) 
싱가폴(영문) 
중국(중문) 
특징
|
종류
|
상세사양
외형도
자료 다운로드
|

단위 : mm)

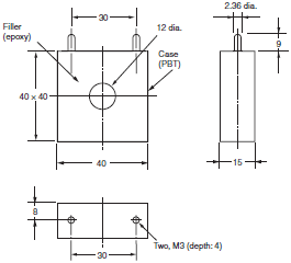
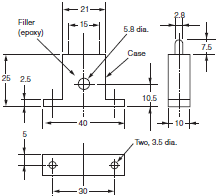
본체

 E5EC

E5EC, E5EC-B 치수 2

 E5EC-B

E5EC, E5EC-B 치수 3

· PC와 온도 조절기를 연결하는 데 사용하는 설정 도구 포트를 표준 탑재하고 있습니다. 윗면 포트에 연결 전용 USB- 시리얼 변환 케이블 (형 E58-CIFQ2)이 전면 포트에 연결 전용 USB- 시리얼 변환 케이블 (형 E58-CIFQ2) + 변환 케이블 (형 E58-CIFQ2-E )가 필요합니다 (상시 접속 상태에서의 사용은 할 수 없습니다).

E5EC, E5EC-B 치수 5

· 설치 판넬 두께는 1 ~ 8mm입니다. 
상하 방향은 밀착 설치가 불가능하므로주의하십시오. (설치 간격을 지켜주십시오) 
· 방수가되도록 설치하려면 본체에 방수 패킹을 삽입하십시오. 
· 여러 대를 설치하여 사용하는 경우 온도 조절기의 주위 온도가 사양을 초과하지 않도록주의하시기 바랍니다.

*  E5EC에서 제어 출력 1,2의 선택 : QQ, QR, RR, CC, PR, CQ 
옵션 No. 선택 : 011,012,013,014 
조합의 기종을 선택 밀착 설치에 사용하는 경우 주위 온도는 45 ℃까지합니다. 
주위 온도 55 ℃에서 여러 대 설치하여 사용하는 경우 다음과 같은 간격으로 설치하십시오.

 

옵션 (별매)

USB- 시리얼 변환 케이블 
E58-CIFQ2

E5EC, E5EC-B 치수 7

변환 케이블 
형E58-CIFQ2-E

 

참고 반드시  E58-CIFQ2와 세트로 사용하십시오.

단자 커버 
E53-COV24 (3 개 포장)

E5EC / E5EC-B 외형 치수 9

방수 패킹 
Y92S-P9 [DIN48 × 96 용]

E5EC / E5EC-B 외형 치수 10

제품에 동봉되어 있습니다. 
방수 패킹을 분실, 파손 한 경우는 별도 주문하십시오. 
방수 패킹을 사용할 경우 보호 구조는 IP66입니다. 
또한 ,, 형 E5EC / 형태 E5EC-B 전면 설정 도구 포트 커버는 확실하게 닫혀 있어야합니다. (IP66의 방수 레벨을 확보하기 위해, 사용 환경에 따라 방수 패킹 및 전면 설정 도구 포트 커버가 열화, 수축 또는 경화하므로 정기적 인 교환을 추천합니다. 정기적 인 교환시기는 사용 환경에 따라 다릅니다. 고객 확인하시기 바랍니다. 3 년 이하를 기준으로합니다.)

전면 설정 도구 포트 커버 
Y92S-P7

E5EC / E5EC-B 외형 치수 11

전면 설정 도구 포트 커버를 분실, 파손했을 경우는 별도 주문하십시오. 
사용 환경에 따라 열화, 수축 또는 경화하기 위해 정기적 인 교환을 추천합니다.

설치 어댑터 
Y92F-51 (2 개 포장)

E5EC / E5EC-B 외형 치수 12

제품의 세트 동봉되어 있습니다. 
분실, 파손 한 경우는 별도 주문하십시오.

방수 커버 
Y92A-49N (48 × 96 용)

E5EC / E5EC-B 외형 치수 13

전류 검출기

 E54-CT1

E5EC, E5EC-B 치수 15

 E54-CT1L

E5EC, E5EC-B 치수 16

관통 전류 (Io) 대 출력 전압 (Eo) 특성 (참고 값) 
E54-CT1  E54-CT1L

E5EC, E5EC-B 치수 17

연속 최고 히터 전류 : 50A (50 / 60Hz) 
권수 : 400 ± 2 턴 
권선 저항 : 18 ± 2Ω

 E54-CT3

E5EC, E5EC-B 치수 18

 E54-CT3 부속품

E5EC, E5EC-B 치수 19

 E54-CT3L

E5EC, E5EC-B 치수 20

관통 전류 (Io) 대 출력 전압 (Eo) 특성 (참고 값) 
E54-CT3  E54-CT3L

E5EC, E5EC-B 치수 21

연속 최고 히터 전류 : 120A (50 / 60Hz) 
(단, 오므론 온도 조절기의 연속 최고 히터 전류 값은 50A입니다.) 
권수 : 400 ± 2 턴 
권선 저항 : 8 ± 0.8Ω

Top of page
한국오므론제어기기주식회사
서울 서초구 강남대로 465, B동 18층 (서초동, 교보빌딩) 대표:김영호 / 사업장등록번호 : 211-87-79826
OMRON Korea | 개인정보 처리방침 | 이용약관 및 권장환경 | 마케팅 정보 활용방침 | 주문에 관한 동의 사항 |
한국 Autonics사에 대한 특허권 침해 소송 제기와 소송 판결(승소)의 통지
Copyright (C) 2008-2024 Omron Electronics Korea Co., Ltd. All Rights Reserved.