OMRON IA Global
Sitemap Login Sign Up
500만 화소 C-mount 코드 리더
V440-F
시야·설치 거리를 유연하게 설계할 수 있는 코드 리더
 마이 페이지에 스크랩하기
Service Info
    대체상품보기
대체상품이 존재하지 않습니다.
특징
|
종류
|
상세사양
외형도
자료 다운로드
|
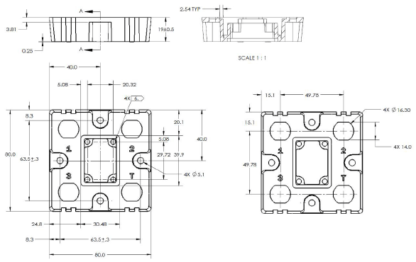
(단위: mm)

¼-20 리더 마운팅 블록 키트
V440-AM0

Smart Series R-70 링 라이트 - V440-F 마운팅 브라켓 키트
V440-AM1

V440-F Dimensions 3

Smart Series R-100 링 라이트 - V440-F 마운팅 브라켓 키트
V440-AM2

V440-F Dimensions 4

스마트 시리즈 R-70 링 라이트 편광판 키트
98-9000301-01

V440-F Dimensions 5

스마트 시리즈 R-70 링 라이트 편광판 키트
98-9000302-01

V440-F 치수 6

QX-1 포토 센서, M12 4핀 플러그, NPN – 2미터 – Light ON/Dark ON
99-9000016-01

V440-F 치수 7

QX-1 상호 연결 모듈 – 전원, 트리거, 스마트 조명 제어 브레이크아웃
98-000103-02

V440-F 치수 8

모든 트리거 소스 또는 포토 센서용 QX-1 현장 배선 가능 M12 4핀 플러그 – 나사 단자
98-9000239-01

V440-F 치수 9

전원 공급 장치, 100-240VAC, +24VDC, M12 12핀 소켓 – 1미터 – 미국/유로 플러그
97-000012-01

V440-F 치수 10

Omron Microscan 스마트 조명 시리즈 – 통합 전원 및 스트로브 제어 모듈
Omron Microscan 스마트 조명 제품 소개 – 링, DOAL, 대면적 조명

V440-F 치수 11

리더-QX-1 상호 연결 케이블 – 1미터, 3미터 또는 5미터
M12 소켓-M12 플러그
QX-1은 공통 IO 신호 및 전원용 브레이크아웃 모듈로 사용됩니다.
V430-WQ-1M
V430-WQ-3M
V430-WQ-5M

V440-F 치수 12

M12 소켓 - M12 플러그, 전원 필터 포함 - 300mm
V430-WQF-1M

V440-F Dimensions 13

QX-1 M12 - 스마트 조명 전원 및 스트로브 제어 케이블 - 3미터
M12 플러그 온 QX-1 - 조명 5핀 소켓
61-000204-01(지속 전원)
61-000218-01(스트로브 제어)

V440-F Dimensions 14

Y 케이블, 리더/전원 및 스마트 라이트 전원(연속 켜짐) – 1미터
61-9000135-01
Y 케이블, 리더/전원 및 스마트 라이트 스트로브 제어 – 1미터
61-9000137-01

V440-F 치수 15

M12 - 플라잉 리드 케이블, 직선 전원, IO, RS-232, USB – 3미터 또는 5미터
V430-W8-3M
V430-W8-5M

V440-F Dimensions 16

M12 - 플라잉 리드 케이블, 파워 필터 포함 – 3미터 또는 5미터
V430-W8F-3M
V430-W8F-5M

V440-F Dimensions 17

M12 - RS-232 브레이크아웃 – 1미터 또는 3미터
V430-WR-1M
V430-WR-3M

RS-232 브레이크아웃이 있는 QX-1 상호 연결 케이블 리더기 - 2.7미터
V430-WQR-3M

V440-F 치수 19

USB 키보드 웨지 브레이크아웃이 있는 QX-1 상호 연결 케이블 리더기 - 2.7미터
V430-WQK-3M

V440-F 치수 20

스마트 시리즈 라이트 케이블 5핀 M12 암-플라잉 리드, 3미터 및 5미터
61-000186-01
61-000187-01

V440-F Dimensions 21

DSP60 24VDC 2.5A DIN 마운트 전원 공급 장치
NER-011504100

V440-F 치수 22

키트, 스폿 라이트, 파란색, 플라잉 리드 연장 케이블이 있는 텔레센트릭 렌즈
98-9000304-01

V440-F 치수 23

스폿 라이트 연장 케이블, 플라잉 리드, 5M

V440-F 치수 24

Ethernet 케이블(내굴곡)
양측 커넥터 부착 케이블(RJ45 커넥터, 카메라측 잠금 나사 부착)

98-000133-01
98-000134-01
98-000134-02

 

Ethernet 케이블(내굴곡) 양측 커넥터 부착 케이블

이 케이블은 V440-F 코드 리더와 기타 장비 간의 통신에 사용됩니다.
이 케이블은 기존 CAT5 케이블에 손상을 줄 수 있는 악 환경을 위해 설계되었습니다.
오버몰드 설계로 스트레인 완화를 강화하였습니다. 손나사로 잠그기 때문에 충격이나 진동이 있어도 연결이 끊어지지 않습니다. 이중차폐 실드 설계에 의해 공업 용도용으로 보호를 강화하고 있습니다.
이 케이블은 1200만 번 이상의 굴곡을 견딜 수 있도록 설계되었습니다. 기름이나 물, 찰상 등에서 TPE 재킷이 더욱 보호합니다.
V440-F 치수 26확대하려면 이미지를 클릭하십시오(새 창에서 열기).



 
Top of page
한국오므론제어기기주식회사
서울 서초구 강남대로 465, B동 18층 (서초동, 교보빌딩) 대표:김영호 / 사업장등록번호 : 211-87-79826
OMRON Korea | 개인정보 처리방침 | 이용약관 및 권장환경 | 마케팅 정보 활용방침 | 주문에 관한 동의 사항 |
한국 Autonics사에 대한 특허권 침해 소송 제기와 소송 판결(승소)의 통지
Copyright (C) 2008-2024 Omron Electronics Korea Co., Ltd. All Rights Reserved.