OMRON IA Global
Sitemap Login Sign Up
노이즈 필터 (단상 250V 3A / 6A 타입)
S8V-NF
제어반에 최적의 DIN 레일 장착 타입. 슬림 형상으로 공간 절약. 푸시 인 연결로 안전 & 쉽게 배선
 마이 페이지에 스크랩하기
Service Info
    대체상품보기
대체상품이 존재하지 않습니다.
특징
|
종류
|
상세사양
외형도
자료 다운로드
|

(단위 : mm)

S8V-NFS203 
S8V-NFS206

S8V-NF 치수 1

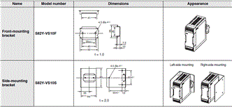
마운팅 브래킷

S8V-NF 치수 2

DIN 레일 (별도 주문)

장착 레일 (재질 : 알루미늄)

PFP-100N 
PFP-50N

S8V-NF 치수 4

장착 레일 (재질 : 알루미늄)

PFP-100N2

S8V-NF 치수 5

엔드 플레이트

PFP-M

S8V-NF 치수 6

참고 : 장치가 진동이나 충격을받을 가능성이있는 경우 강철 DIN 레일을 사용하십시오. 그렇지 않으면 
          알루미늄 마모로 인한 금속 파일링 이 발생할 수 있습니다.

                                                                                                                                                           정보 갱신 : 2017/12/01

Top of page
한국오므론제어기기주식회사
서울 서초구 강남대로 465, B동 18층 (서초동, 교보빌딩) 대표:김영호 / 사업장등록번호 : 211-87-79826
OMRON Korea | 개인정보 처리방침 | 이용약관 및 권장환경 | 마케팅 정보 활용방침 | 주문에 관한 동의 사항 |
한국 Autonics사에 대한 특허권 침해 소송 제기와 소송 판결(승소)의 통지
Copyright (C) 2008-2024 Omron Electronics Korea Co., Ltd. All Rights Reserved.