OMRON IA Global
Sitemap Login Sign Up
간이형 소형 인버터 JX 시리즈
3G3JX
어플리케이션과 환경, 그리고 사용하기 편리함을 추구한 간이형 소형 인버터
※3G3JX-□□□□□는 2016년 3월말 생산종료. 자세한 사항은 생산중지/추천대체상품가이드를 참조하시기 바랍니다.
 마이 페이지에 스크랩하기
Service Info
    대체상품보기
대체상품이 존재하지 않습니다.
   Select Country
    3G3JX
일본(일문) 
싱가폴(영문) 
특징
|
종류
|
상세사양
외형도
자료 다운로드
|

(단위 : mm)

인버터 본체

 

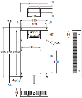
 3G3JX-A2002
 3G3JX-A2004
 3G3JX-A2007
 3G3JX-AE002
 3G3JX-AE004

 

3G3JX 외형 치수 2

 

 3G3JX-A4004
 3G3JX-AE007

 

3G3JX 외형 치수 3
 3G3JX-A2015
 3G3JX-A2022
 3G3JX-A2037
 3G3JX-A4007
 3G3JX-A4015
 3G3JX-A4022
 3G3JX-A4037
 3G3JX-AE015
 3G3JX-AE022

 

3G3JX 외형 치수 4

 

 3G3JX-A2055
 3G3JX-A2075
 3G3JX-A4055
 3G3JX-A4075

 

3G3JX 외형 치수 5

옵션

회생 제동 유니트 3G3AX-RBU □□

 3G3AX-RBU21 / -RBU22 / -RBU41

3G3JX 외형 치수 8

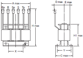
제동 저항기  3G3AX-RB □□□□□

 3G3AX-RBA

3G3JX 외형 치수 10

 3G3AX-RBB

3G3JX 외형 치수 11
 

 3G3AX-RBC4001

3G3JX 외형 치수 13

 3G3AX-RBC6001

3G3JX 외형 치수 14

 3G3AX-RBC12001

3G3JX 외형 치수 15

라디오 노이즈 필터  3G3AX-ZCL □

 3G3AX-ZCL1

3G3JX 외형 치수 17

 3G3AZ-ZCL2

3G3JX 외형 치수 18

입력측 노이즈 필터  3G3AX-NFI □□

 

 3G3AX-NFI21
 3G3AX-NFI22

 

3G3JX 외형 치수 20

 

 3G3AX-NFI23 /  3G3AX-NFI24
 3G3AX-NFI41 /  3G3AX-NFI42
 3G3AX-NFI43

 

3G3JX 외형 치수 21
 

 3G3AX-NFI25

3G3JX 외형 치수 23

EMC 용 노이즈 필터 형 3G3AX-EFI □□

 3G3AX-EFIB1
 3G3AX-EFI21

 

3G3JX 외형 치수 25

 

3G3AX-EFIB2
 3G3AX-EFI22

 

3G3JX 외형 치수 26

 

 3G3AX-EFIB3
 3G3AX-EFI23

 

3G3JX 외형 치수 27

 3G3AX-EFI24

3G3JX 외형 치수 28

3G3AX-EFI25

3G3JX 외형 치수 29

 

 3G3AX-EFI41
 3G3AX-EFI42

 

3G3JX 외형 치수 30

 

 3G3AX-EFI43 /  3G3AX-EFI44
 3G3AX-EFI45

 

3G3JX 외형 치수 31

출력측 노이즈 필터  3G3AX-NFO □□

 

 3G3AX-NFO01
 3G3AX-NFO02

 

3G3JX 외형 치수 33

 

 3G3AX-NFO03 /  3G3AX-NFO04 /  3G3AX-NFO05
 3G3AX-NFO06 /  3G3AX-NFO07

 

3G3JX 외형 치수 34
 

DC 리액터 형 3G3AX-DL □□□□

 3G3AX-DL □□□□

3G3JX 외형 치수 37
 

AC 리액터 형 3G3AX-AL □□□□

 

 3G3AX-AL2025
 3G3AX-AL2055

 

3G3JX 외형 치수 40

3G3AX-AL2110

3G3JX 외형 치수 41

 

 3G3AX-AL4025 /  3G3AX-AL4055
 3G3AX-AL4110

 

3G3JX 외형 치수 42
 

디지털 통신 형 3G3AX-OP01

3G3AX-OP01

3G3JX 외형 치수 45
Top of page
한국오므론제어기기주식회사
서울 서초구 강남대로 465, B동 18층 (서초동, 교보빌딩) 대표:김영호 / 사업장등록번호 : 211-87-79826
OMRON Korea | 개인정보 처리방침 | 이용약관 및 권장환경 | 마케팅 정보 활용방침 | 주문에 관한 동의 사항 |
한국 Autonics사에 대한 특허권 침해 소송 제기와 소송 판결(승소)의 통지
Copyright (C) 2008-2024 Omron Electronics Korea Co., Ltd. All Rights Reserved.