OMRON IA Global
Sitemap Login Sign Up
IO-Link - 컨버터
K3CV
아날로그 신호를 정밀하게 디지털 신호로 변환하여 IO-Link 통신으로 출력합니다. 이를 통해 신호의 정확성과 신뢰성을 향상시키며, 간단한 배선 방식으로 설치가 용이하고 비용 절감 효과까지 제공합니다.
 마이 페이지에 스크랩하기
Service Info
    대체상품보기
대체상품이 존재하지 않습니다.
특징
|
종류
|
상세사양
외형도
자료 다운로드
|

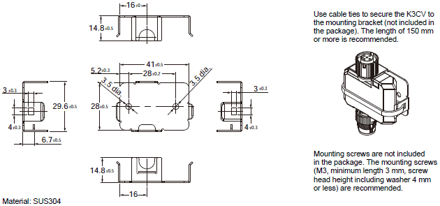
(단위: mm)

본체

K3CV

K3CV 치수 2

옵션

장착 브라켓

K3CV-F-1

장착 브라켓은 벽면에 2개의 고정 나사로 설치해 주십시오.
 

K3CV 치수 5

본체 고정 장치

K3CV-F-2

K3CV 치수 7

M12 나사식 커넥터용 공구 
 

M12 나사식 커넥터의 고정구를 규정 토크 값으로 체결할 때 사용합니다.

토크 렌치
XY2F-0004

K3CV 치수 9
Top of page
한국오므론제어기기주식회사
서울 서초구 강남대로 465, B동 18층 (서초동, 교보빌딩) 대표:김영호 / 사업장등록번호 : 211-87-79826
OMRON Korea | 개인정보 처리방침 | 이용약관 및 권장환경 | 마케팅 정보 활용방침 | 주문에 관한 동의 사항 |
한국 Autonics사에 대한 특허권 침해 소송 제기와 소송 판결(승소)의 통지
Copyright (C) 2008-2024 Omron Electronics Korea Co., Ltd. All Rights Reserved.