|
|
|
|
| SYSMAC CJ시리즈 출력 유니트 |
|
|
CJ1W-OC / OA / OD
|
|
|
|
|
|
|
고속 타입으로부터 다점타입까지 다양한 라인을 갖춘 기본 출력 유니트. (NJ 대응 가능)
G70D-FOM16-1 DC24는 2021 년 6 월 수주 종료 예정. XW2Z- □□□ PF, XW2Z- □□□ PM은 2022 년 3 월 수주 종료 예정.
|
|
|
|
|
|
|
|
|
|
|
|
|
|
|
|
|
|
| Service Info |
 |
대체상품보기 |
|
|
대체상품이 존재하지 않습니다.
|
|
|
|
|
|
|
릴레이 독립 접점 출력 유니트 8점 CJ1W-OC201
|
|
명칭
|
릴레이 독립 접점 출력 유니트 (단자대, 8점)
|
|
형식
|
CJ1W-OC201
|
|
최대 개폐 능력
|
AC250V/2A (cosΦ=1), AC250V/2A (cosΦ=0.4), DC24V/2A
16A/유니트
|
|
최소 개폐 능력
|
DC5V 1mA
|
|
사용 릴레이
|
NY-24W-K-IE (Fujitsu takamizawa 컴포넌트) 교환불가
|
|
릴레이 수명
|
전기적:저항 부하 15만회(DC24V), 유도 부하 10만회 (AC240VcosΦ=0.4)
기계적:2,000만회
수명은 전류 값에 따라 다릅니다.
|
|
ON 응답 시간
|
15ms이하
|
|
OFF 응답 시간
|
15ms이하
|
|
회로 수
|
8점 독립 접점
|
|
절연 저항
|
외부 단자 일괄과 GR단자간, 각 독립 접점간 20MΩ (DC500V에서)
|
|
내전압
|
외부 단자 일괄과 GR단자간, 각 독립 접점간 AC2000V 1분간 누설 전류 10mA 이하
|
|
내부 소비 전류
|
DC5V:90mA 이하
DC24V:48mA 이하(6mA×ON점수)
|
|
질량
|
140g이하
|
|
회로 구성
|

|
|
단자 접속도 *
|

주. 릴레이 접점이기 때문에 DC전원은 어느 쪽의 극성에서도 접속 가능합니다.
|
| |
|
|
*단자 접속도에 기재되어 있는 단자 번호 A0~A8, B0~B8는 본 데이터 시트에서의 표기입니다. 유니트에는 기재되어 있지 않습니다.
주. 외부 입출력에 사용할 수 있는 것은 8점이지만 I/O할당상 16점(1CH) 분 점유 합니다. 또 I/O테이블상에서도 16점 유니트로서 사용됩니다.
|
릴레이 접점 유니트 16점형
CJ1W-OC211
|
|
|
명칭
|
릴레이 접점 출력 유니트 (단자대, 16점)
|
|
형식
|
CJ1W-OC211
|
|
최대 개폐 능력
|
AC250V/2A (cosΦ =1), AC250V/2A (cosΦ =0.4), DC24V/2A
8A/유니트
|
|
최소 개폐 능력
|
DC5V 1mA
|
|
사용 릴레이
|
NY-24W-K-IE (Fujitsu takamizawa 컴포넌트) 교환불가
|
|
릴레이 수명
|
전기적:저항 부하 15만회 (DC24V), 유도 부하 10만회 (AC240VcosΦ =0.4)
기계적:2,000만회
수명은 전류 값에 따라 다릅니다.
|
|
ON 응답 시간
|
15ms이하
|
|
OFF 응답 시간
|
15ms이하
|
|
회로 수
|
16점/커먼 1회로
|
|
절연 저항
|
외부 단자 일괄과 GR단자간 20MΩ (DC500V에서)
|
|
내전압
|
외부 단자 일괄과 GR단자간 AC2000V 1분간 누설 전류 10mA 이하
|
|
내부 소비 전류
|
DC5V:110mA 이하
DC24V:96mA 이하(6mA×ON점수)
|
|
질량
|
170g이하
|
|
회로 구성
|

|
|
단자 접속도 *
|

|
| |
|
|
*단자 접속도에 기재되어 있는 단자 번호 A0~A8, B0~B8는 본 데이터 시트에서의 표기입니다. 유니트에는 기재되어 있지 않습니다.
|
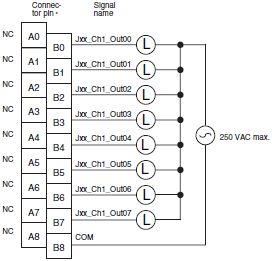
트라이악 출력 유니트 8점 CJ1W-OA201
|
|
|
명칭
|
트라이악 출력 유니트(단자대, 8점)
|
|
형식
|
CJ1W-OA201
|
|
최대 개폐 능력
|
AC250V/0.6A 50/60Hz(2.4A/유니트)
|
|
최대 돌입전류
|
15A(펄스폭 10ms이하)
|
|
최소 개폐 능력
|
AC75V/50mA
|
|
누설 전류
|
1.5mA이하(AC200V)
|
|
잔류 전압
|
AC1.6V이하
|
|
ON 응답 시간
|
1ms이하
|
|
OFF 응답 시간
|
부하 주파수의 1/2+1ms 이하
|
|
회로 수
|
8점(8점/커먼 1회로)
|
|
서지 킬러
|
C.R흡수기 + 서지 압력기
|
|
휴즈
|
5A (1개/커먼) 1개
휴즈는 사용자가 교환할 수 없습니다.
|
|
절연 저항
|
외부 단자 일괄과 GR단자간 20MΩ (DC500V에서)
|
|
내전압
|
외부 단자 일괄과 GR단자간 AC2000V 1분간 누설 전류 10mA 이하
|
|
내부 소비 전류
|
DC5V:220mA 이하
|
|
질량
|
150g 이하
|
|
회로 구성
|

|
|
단자 접속도 *
|

|
| |
|
|
*단자 접속도에 기재되어 있는 단자 번호 A0~A8, B0~B8는 본 데이터 시트에서의 표기입니다. 유니트에는 기재되어 있지 않습니다.
주. 외부 입출력에 사용할 수 있는 것은 8점이지만 I/O할당상 16점(1CH) 분 점유 합니다. 또 I/O테이블상에서도 16점 유니트로서 다루어집니다.
|
트랜지스터 출력 유니트 8점 CJ1W-OD201
|
|
명칭
|
트랜지스터 출력 유니트 (단자대, 싱크 타입, 8점)
|
|
형식
|
CJ1W-OD201
|
|
정격 전압
|
DC12~24V
|
|
사용 부하 전압 범위
|
DC10.2~26.4V
|
|
최대 부하 전류
|
2.0A/점, 8A/유니트
|
|
최대 돌입전류
|
10A/점, 10ms이하
|
|
누설 전류
|
0.1mA이하
|
|
잔류 전압
|
1.5V이하
|
|
ON 응답 시간
|
0.5ms이하
|
|
OFF 응답 시간
|
1.0ms이하
|
|
절연 저항
|
외부 단자 일괄과 GR단자간 20MΩ (DC100V에서)
|
|
내전압
|
외부 단자 일괄과 GR단자간 AC1000V 1분간 누설 전류 10mA 이하
|
|
회로 수
|
8점(4점/커먼 2회로)
|
|
내부 소비 전류
|
DC5V:90mA 이하
|
|
휴즈
|
6.3A(1개/커먼)2개 사용
휴즈는 사용자가 교환할 수 없습니다.
|
|
외부 공급 전원
|
DC12~24V 10mA이상
|
|
질량
|
110g 이하
|
|
회로 구성
|

|
|
단자 접속도 *
|

배선시 외부 공급 전원의 극성에 충분히 주의하여 배선해 주세요.
극성을 반대로 배선하면 부하가 오동작 할 우려가 있습니다.
|
| |
|
|
*단자 접속도에 기재되어 있는 단자 번호 A0~A8, B0~B8는 본 데이터 시트에서의 표기입니다. 유니트에는 기재되어 있지 않습니다.
주. 외부 입출력에 사용할 수 있는 것은 8점이지만 I/O할당상 16점(1 CH) 분 점유 합니다. 또 I/O테이블상에서도 16점 유니트로서 다루어집니다.
|
트랜지스터 출력 유니트 8점 CJ1W-OD203
|
|
명칭
|
트랜지스터 출력 유니트 (단자대, 싱크 타입, 8점)
|
|
형식
|
CJ1W-OD203
|
|
정격 전압
|
DC12~24V
|
|
사용 부하 전압 범위
|
DC10.2~26.4V
|
|
최대 부하 전류
|
0.5A/점, 4.0A/유니트
|
|
최대 돌입전류
|
4.0A/점, 10ms 이하
|
|
누설 전류
|
0.1mA 이하
|
|
잔류 전압
|
1.5V 이하
|
|
ON 응답 시간
|
0.1ms 이하
|
|
OFF 응답 시간
|
0.8ms 이하
|
|
절연 저항
|
외부 단자 일괄과 GR단자간 20MΩ(DC100V에서)
|
|
내전압
|
외부 단자 일괄과 GR단자간 AC1000V 1분간 누설 전류 10mA 이하
|
|
회로 수
|
8점(8점/커먼 1회로)
|
|
내부 소비 전류
|
DC5V:100mA 이하
|
|
휴즈
|
없음
|
|
외부 공급 전원
|
DC10.2~26.4V 20mA이상
|
|
질량
|
110g이하
|
|
회로 구성
|

|
|
단자 접속도 *
|

배선시 외부 공급 전원의 극성에 충분히 주의하여 배선해 주세요.
극성을 반대로 배선하면 부하가 오동작 할 우려가 있습니다.
|
| |
|
|
*단자 접속도에 기재되어 있는 단자 번호 A0~A8, B0~B8는 본 데이터 시트에서의 표기입니다. 유니트에는 기재되어 있지 않습니다.
주. 외부 입출력에 사용할 수 있는 것은 8점이지만 I/O할당상 16점(1CH) 분 점유 합니다. 또 I/O테이블상에서도 16점 유니트로서 다루어집니다.
|
트랜지스터 출력 유니트 16점 CJ1W-OD211
|
|
명칭
|
트랜지스터 출력 유니트 (단자대, 싱크 타입, 16점)
|
|
형식
|
CJ1W-OD211
|
|
정격 전압
|
DC12~24V
|
|
사용 부하 전압 범위
|
DC10.2~26.4V
|
|
최대 부하 전류
|
0.5A/점, 5.0A/유니트
|
|
최대 돌입전류
|
4.0A/점, 10ms이하
|
|
누설 전류
|
0.1mA 이하
|
|
잔류 전압
|
1.5V 이하
|
|
ON 응답 시간
|
0.1ms 이하
|
|
OFF 응답 시간
|
0.8ms 이하
|
|
절연 저항
|
외부 단자 일괄과 GR단자간 20MΩ (DC100V에서)
|
|
내전압
|
외부 단자 일괄과 GR단자간 AC1000V 1분간 누설 전류 10mA 이하
|
|
회로 수
|
16점(16점/커먼 1회로)
|
|
내부 소비 전류
|
DC5V:100mA 이하
|
|
휴즈
|
없음
|
|
외부 공급 전원
|
DC10.2~26.4V 20mA이상
|
|
질량
|
110g 이하
|
|
회로 구성
|

|
|
단자 접속도 *
|

배선시 외부 공급 전원의 극성을 충분히 주의하여 배선해 주세요.
극성을 반대로 배선하면 부하가 오동작 할 우려가 있습니다.
|
| |
|
|
*단자 접속도에 기재되어 있는 단자 번호 A0~A8, B0~B8는 본 데이터 시트에서의 표기입니다. 유니트에는 기재되어 있지 않습니다.
|
|
트랜지스터 출력 유니트 16점 CJ1W-OD213
|
|
명칭
|
트랜지스터 출력 유니트 (단자대, 싱크 타입, 16점)
|
|
형식
|
CJ1W-OD213
|
|
정격 전압
|
DC24V
|
|
사용 부하 전압 범위
|
DC20.4~26.4V
|
|
최대 부하 전류
|
0.5A/점, 5.0A/유니트
|
|
최대 돌입전류
|
4.0A/점, 10ms이하
|
|
누설 전류
|
0.1mA 이하
|
|
잔류 전압
|
1.5V 이하
|
|
ON 응답 시간
|
15μs 이하
|
|
OFF 응답 시간
|
80μs 이하
|
|
절연 저항
|
외부 단자 일괄과 GR단자간 20MΩ (DC100V에서)
|
|
내전압
|
외부 단자 일괄과 GR단자간 AC1000V 1분간 누설 전류 10mA 이하
|
|
회로 수
|
16점 (16점/커먼 1회로)
|
|
내부 소비 전류
|
DC5V 150mA 이하
|
|
휴즈
|
없음
|
|
외부 공급 전원
|
DC20.4~26.4V 55mA 이상
|
|
질량
|
110g이하
|
|
회로 구성
|

|
|
단자 접속도 *
|

배선시 외부 공급 전원의 극성에 충분히 주의하여 배선해 주세요.
극성을 반대로 배선하면 부하가 오동작 할 우려가 있습니다.
|
| |
|
|
*단자 접속도에 기재되어 있는 커넥터 핀 번호 A0~A8, B0~B8는 본 데이터 시트에서의 표기입니다. 유니트에는 기재되어 있지 않습니다.
|
트랜지스터 출력 유니트 32점 CJ1W-OD231
|
|
명칭
|
트랜지스터 출력 유니트 (FUSITSU 커넥터, 싱크 타입, 32점)
|
|
형식
|
CJ1W-OD231
|
|
정격 전압
|
DC12~24V
|
|
사용 부하 전압 범위
|
DC10.2~26.4V
|
|
최대 부하전류
|
0.5A/점, 2.0A/커먼, 4.0A/유니트
|
|
최대 돌입전류
|
4.0 A/점, 10ms 이하
|
|
누설 전류
|
0.1mA 이하
|
|
잔류 전압
|
1.5V 이하
|
|
ON 응답 시간
|
0.1ms 이하
|
|
OFF 응답 시간
|
0.8ms 이하
|
|
절연 저항
|
외부 단자 일괄과 GR단자간 20MΩ (DC100V에서)
|
|
내전압
|
외부 단자 일괄과 GR단자간 AC1000V 1분간 누설 전류 10mA 이하
|
|
회로 수
|
32점 (16점/커먼 2 회로)
|
|
내부 소비 전류
|
DC5V:140mA 이하
|
|
휴즈
|
없음
|
|
외부 공급 전원
|
DC10.2~26.4V 30mA 이상
|
|
질량
|
70g 이하
|
|
부속품
|
없음
|
|
회로 구성
|

|
|
단자 접속도
|

·배선시 외부 공급 전원의 극성에 충분히 주의하여 배선해 주세요.
극성을 반대로 배선하면 부하가 오동작 할 우려가 있습니다.
·A9와 A19(COM0)는 반드시 양단자와도 배선해 주세요.
·B9와 B19(COM1)는 반드시 양단자와도 배선해 주세요.
·A10와 A20(+V)는 반드시 양단자와도 배선해 주세요.
·B10와 B20(+V)는 반드시 양단자와도 배선해 주세요.
|
| |
|
|
|
트랜지스터 출력 유니트 32점 CJ1W-OD233
|
|
명칭
|
트랜지스터 출력 유니트 (MIL 커넥터, 싱크 타입, 32점)
|
|
형식
|
CJ1W-OD233
|
|
정격 전압
|
DC12~24V
|
|
사용 부하 전압 범위
|
DC10.2~26.4V
|
|
최대 부하 전류
|
0.5A/점 (2 A/커먼 4A/유니트)
|
|
최대 돌입전류
|
4.0A/점, 10ms 이하
|
|
누설 전류
|
0.1mA 이하
|
|
잔류 전압
|
1.5V 이하
|
|
ON 응답 시간
|
0.1ms 이하
|
|
OFF 응답 시간
|
0.8ms 이하
|
|
절연 저항
|
외부 단자 일괄과 GR단자간 20MΩ (DC100V에서)
|
|
내전압
|
외부 단자 일괄과 GR단자간 AC1000V 1분간 누설 전류 10mA 이하
|
|
회로 수
|
32점 (16점/커먼 2회로)
|
|
내부 소비 전류
|
DC5V:140mA 이하
|
|
휴즈
|
없음
|
|
외부 공급 전원
|
DC12~24V 30mA 이상
|
|
질량
|
70g 이하
|
|
회로 구성
|

|
|
단자 접속도
|

·배선시 외부 공급 전원의 극성에 충분히 주의하여 배선해 주세요.
극성을 반대로 배선하면 부하가 오동작 할 우려가 있습니다.
·23에서 24(COM0)는 반드시 양단자와도 배선해 주세요.
·3에서 4(COM1)는 반드시 양단자와도 배선해 주세요.
·21에서 22(+V)는 반드시 양단자와도 배선해 주세요.
·1에서 2(+V)는 반드시 양단자와도 배선해 주세요.
|
| |
|
|
|
트랜지스터 출력 유니트 32점 CJ1W-OD234
|
|
명칭
|
트랜지스터 출력 유니트 (MIL 커넥터, 싱크 타입, 32점)
|
|
형식
|
CJ1W-OD234
|
|
정격 전압
|
DC24V
|
|
사용 부하전압 범위
|
DC20.4~26.4V
|
|
최대 부하 전류
|
0.5A/점(2A/커먼 4A/유니트)
|
|
최대 돌입전류
|
4.0A/점, 10ms 이하
|
|
누설 전류
|
0.1mA 이하
|
|
잔류 전압
|
1.5V 이하
|
|
ON 응답 시간
|
15μs 이하
|
|
OFF 응답 시간
|
80μs 이하
|
|
절연 저항
|
외부 단자 일괄과 GR단자간 20MΩ (DC100V에서)
|
|
내전압
|
외부 단자 일괄과 GR단자간 AC1000V 1분간 누설 전류 10mA 이하
|
|
회로 수
|
32점 (16점/커먼 2회로)
|
|
내부 소비 전류
|
220mA 이하
|
|
휴즈
|
없음
|
|
외부 공급 전원
|
DC20.4~26.4V 110mA 이상
|
|
질량
|
70g 이하
|
|
회로 구성
|

|
|
단자 접속도
|

·배선시 외부 공급 전원의 극성에 충분히 주의하여 배선해 주세요.
극성을 반대로 배선하면 부하가 오동작 할 우려가 있습니다.
·23에서 24(COM0)는 반드시 양단자와도 배선해 주세요.
·3에서 4(COM1)는 반드시 양단자와도 배선해 주세요.
·21에서 22(+V)는 반드시 양단자와도 배선해 주세요.
·1에서 2(+V)는 반드시 양단자와도 배선해 주세요.
|
| |
|
|
|
트랜지스터 출력 유니트 64점 CJ1W-OD261
|
|
|
명칭
|
트랜지스터 출력 유니트 (FUSITSU 커넥터, 싱크 타입, 64점)
|
|
형식
|
CJ1W-OD261
|
|
정격 전압
|
DC12~24V
|
|
사용 부하 전압 범위
|
DC10.2~26.4V
|
|
최대 부하 전류
|
0.3A/점, 1.6A/커먼, 6.4A/유니트
|
|
최대 돌입전류
|
3.0A/점, 10ms 이하
|
|
누설 전류
|
0.1mA 이하
|
|
잔류 전압
|
1.5V 이하
|
|
ON 응답 시간
|
0.5ms 이하
|
|
OFF 응답 시간
|
1.0ms 이하
|
|
절연 저항
|
외부 단자 일괄과 GR단자간 20MΩ (DC100V에서)
|
|
내전압
|
외부 단자 일괄과 GR단자간 AC1000V 1분간 누설 전류 10mA 이하
|
|
회로 수
|
64점 (16점/커먼 4회로)
|
|
내부 소비 전류
|
DC5V:170mA 이하
|
|
휴즈
|
없음
|
|
외부 공급 전원
|
DC10.2~26.4V 50mA 이상
|
|
질량
|
110g 이하
|
|
부속품
|
없음
|
|
회로 구성
|

|
|
단자 접속도
|
 
·배선시 외부 공급 전원의 극성에 충분히 주의하여 배선해 주세요.
극성을 반대로 배선하면 부하가 오동작 할 우려가 있습니다.
·CN1의 A9와 A19(COM0)는 반드시 양단자와도 배선해 주세요.
·CN1의 B9와 B19(COM1)는 반드시 양단자와도 배선해 주세요.
·CN1의 A10과 A20(+V)는 반드시 양단자와도 배선해 주세요.
·CN1의 B10과 B20(+V)는 반드시 양단자와도 배선해 주세요.
·CN2의 A9와 A19(COM2)는 반드시 양단자와도 배선해 주세요.
·CN2의 B9와 B19(COM3)는 반드시 양단자와도 배선해 주세요.
·CN2의 A10과 A20(+V)는 반드시 양단자와도 배선해 주세요.
·CN2의 B10과 B20(+V)는 반드시 양단자와도 배선해 주세요.
|
| |
|
|
|
트랜지스터 출력 유니트 64점 CJ1W-OD263
|
|
|
명칭
|
트랜지스터 출력 유니트 (MIL 커넥터, 싱크 타입, 64점)
|
|
형식
|
CJ1W-OD263
|
|
정격 전압
|
DC12~24V
|
|
사용 부하 전압 범위
|
DC10.2~26.4V
|
|
최대 부하 전류
|
0.3A/점 (1.6 A/커먼 6.4 A/유니트)
|
|
최대 돌입전류
|
3.0A/점, 10ms 이하
|
|
누설 전류
|
0.1mA 이하
|
|
잔류 전압
|
1.5V 이하
|
|
ON 응답 시간
|
0.5ms 이하
|
|
OFF 응답 시간
|
1.0ms 이하
|
|
절연 저항
|
외부 단자 일괄과 GR단자간 20MΩ (DC100V에서)
|
|
내전압
|
외부 단자 일괄과 GR단자간 AC1000V 1분간 누설 전류 10mA 이하
|
|
회로 수
|
64점(16점/커먼 4회로)
|
|
내부 소비 전류
|
DC5V:170mA 이하
|
|
휴즈
|
없음
|
|
외부 공급 전원
|
DC12~24V 50mA 이상
|
|
질량
|
110g 이하
|
|
회로 구성
|

|
|
단자 접속도
|
 
·배선시 외부 공급 전원의 극성에 충분하여 주의하여 배선해 주세요.
극성을 반대로 배선하면 부하가 오동작 할 우려가 있습니다.
·CN1의 23에서 24(COM0)는 반드시 양단자와도 배선해 주세요.
·CN1의 3에서 4(COM1)는 반드시 양단자와도 배선해 주세요.
·CN1의 21에서 22(+V)는 반드시 양단자와도 배선해 주세요.
·CN1의 1에서 2(+V)는 반드시 양단자와도 배선해 주세요.
·CN2의 23에서 24(COM2)는 반드시 양단자와도 배선해 주세요.
·CN2의 3에서 4(COM3)는 반드시 양단자와도 배선해 주세요.
·CN2의 21에서 22(+V)는 반드시 양단자와도 배선해 주세요.
·CN2의 1에서 2(+V)는 반드시 양단자와도 배선해 주세요.
|
| |
|
|
|
트랜지스터 출력 유니트 8점 CJ1W-OD202
|
|
명칭
|
트랜지스터 출력 유니트 (단자대, 소스 타입, 8점)
|
|
형식
|
CJ1W-OD202
|
|
정격 전압
|
DC24V
|
|
사용 부하 전압 범위
|
DC20.4~26.4V
|
|
최대 부하 전류
|
2 A/점 (8A/유니트)
|
|
누설 전류
|
0.1mA 이하
|
|
잔류 전압
|
1.5V 이하
|
|
ON 응답 시간
|
0.5ms 이하
|
|
OFF 응답 시간
|
1.0ms 이하
|
|
부하 단락 보호 기능
|
검지 전류 6A이상, 이상 해제 후 자동 복귀
|
|
단선 검지 기능
|
검지 전류 200mA 이하
|
|
절연 저항
|
외부 단자 일괄과 GR단자간 20MΩ (DC100V에서)
|
|
내전압
|
외부 단자 일괄과 GR단자간 AC1000V 1분간 누설 전류 10mA 이하
|
|
회로 수
|
8점 (4점/커먼 2 회로)
|
|
내부 소비 전류
|
DC5V:110mA 이하
|
|
휴즈
|
없음
|
|
외부 공급 전원
|
DC24V 50mA 이상
|
|
질량
|
120g 이하
|
|
회로 구성
|

과전류 검지 및 단선 검지시, 「ERR LED」가 점등합니다.
동시에 특수 보조 릴레이의 「기본 I/O유니트 정보 영역」(A050A069CH)의 대응 비트(2점 마다 대응)이 ON가 됩니다.
|
|
단자 접속도 *
|

배선시 외부 공급 전원의 극성에 충분히 주의하여 배선해 주세요.
극성을 반대로 배선하면 부하가 오동작 할 우려가 있습니다.
|
| |
|
|
*단자 접속도에 기재되어 있는 단자 번호 A0~A8, B0~B8는 본 데이터 시트에서의 표기입니다. 유니트에는 기재되어 있지 않습니다.
주. 외부 입출력에 사용할 수 있는 것은 8점이지만 I/O할당상 16점(1 CH) 분 점유 합니다. 또 I/O테이블상에서도 16점 유니트로서 다루어집니다.
|
트랜지스터 출력 유니트 8점 CJ1W-OD204
|
|
명칭
|
트랜지스터 출력 유니트 (단자대, 소스 타입, 8점)
|
|
형식
|
CJ1W-OD204
|
|
정격 전압
|
DC24V
|
|
사용 부하 전압 범위
|
DC20.4~26.4V
|
|
최대 부하 전류
|
0.5 A/점 (4.0A/유니트)
|
|
누설 전류
|
0.1mA 이하
|
|
잔류 전압
|
1.5V 이하
|
|
ON 응답 시간
|
0.5ms 이하
|
|
OFF 응답 시간
|
1.0ms 이하
|
|
부하 단락 보호 기능
|
검지 전류 0.7~2.5A 이상 해제 후 자동 복귀
|
|
절연 저항
|
외부 단자 일괄과 GR단자간 20MΩ (DC100V에서)
|
|
내전압
|
외부 단자 일괄과 GR단자간 AC1000V 1분간 누설 전류 10mA 이하
|
|
회로 수
|
8점 (8점/커먼 1회로)
|
|
내부 소비 전류
|
DC5V:100mA 이하
|
|
휴즈
|
없음
|
|
외부 공급 전원
|
DC20.4~26.4V 40mA 이상
|
|
질량
|
120g 이하
|
|
회로 구성
|

과전류 검지 및 단선 검지시, 「ERR LED」가 점등합니다.
동시에 특수 보조 릴레이의 「기본 I/O유니트 정보 영역」(A050A069CH)의 대응 비트가 ON가 됩니다.
|
|
단자 접속도 *
|

배선시 외부 공급 전원의 극성에 충분히 주의하여 배선해 주세요.
극성을 반대로 배선하면 부하가 오동작 할 우려가 있습니다.
|
| |
|
|
*단자 접속도에 기재되어 있는 단자 번호 A0~A8, B0~B8는 본 데이터 시트에서의 표기입니다. 유니트에는 기재되어 있지 않습니다.
주. 외부 입출력에 사용할 수 있는 것은 8점이지만 I/O할당상 16점(1 CH) 분 점유 합니다. 또 I/O테이블상에서도 16점 유니트로서 다루어집니다.
|
트랜지스터 출력 유니트 16점 CJ1W-OD212
|
|
명칭
|
트랜지스터 출력 유니트 (단자대, 소스 타입, 16점)
|
|
형식
|
CJ1W-OD212
|
|
정격 전압
|
DC24V
|
|
사용 부하 전압 범위
|
DC20.426.4V
|
|
최대 부하 전류
|
0.5A/점, 5.0A/유니트
|
|
누설 전류
|
0.1mA 이하
|
|
잔류 전압
|
1.5V 이하
|
|
ON 응답 시간
|
0.5ms 이하
|
|
OFF 응답 시간
|
1.0ms 이하
|
|
부하 단락 보호 기능
|
검지 전류 0.7A~2.5A 이상 해제 후 자동 복귀
|
|
절연 저항
|
외부 단자 일괄과 GR단자간 20MΩ (DC100V에서)
|
|
내전압
|
외부 단자 일괄과 GR단자간 AC1000V 1분간 누설 전류 10mA 이하
|
|
회로 수
|
16점 (16점/커먼, 1회로)
|
|
내부 소비 전류
|
DC5V:100mA 이하
|
|
외부 공급 전원
|
DC20.4~26.4V 40mA 이상
|
|
질량
|
120g 이하
|
|
회로 구성
|

과전류 검지시, 「ERR」LED가 점등합니다.
동시에 특수 보조 릴레이의 「기본 I/O유니트 정보 영역」(A050A069CH)의 대응 비트가 ON가 됩니다.
|
|
단자 접속도 *
|

배선시 외부 공급 전원의 극성에 충분히 주의하여 배선해 주세요.
극성을 반대로 배선하면 부하가 오동작 할 우려가 있습니다.
|
| |
|
|
*단자 접속도에 기재되어 있는 단자 번호 A0~A8, B0~B8는 본 데이터 시트에서의 표기입니다. 유니트에는 기재되어 있지 않습니다.
|
트랜지스터 출력 유니트 32점 CJ1W-OD232
|
|
명칭
|
트랜지스터 출력 유니트 (MIL 커넥터, 소스 타입, 32점)
|
|
형식
|
CJ1W-OD232
|
|
정격 전압
|
DC24V
|
|
사용 부하 전압 범위
|
DC20.4~26.4V
|
|
최대 부하 전류
|
0.5A/점, 2.0A/커먼, 4.0A/유니트
|
|
누설 전류
|
0.1mA 이하
|
|
잔류 전압
|
1.5V 이하
|
|
ON 응답 시간
|
0.5ms 이하
|
|
OFF 응답 시간
|
1.0ms 이하
|
|
부하 단락 보호 기능
|
검지 전류 0.7A~2.5A 이상 해제 후 자동 복귀
|
|
절연 저항
|
외부 단자 일괄과 GR단자간 20MΩ (DC100V에서)
|
|
내전압
|
외부 단자 일괄과 GR단자간 AC1000V 1분간 누설 전류 10mA 이하
|
|
회로 수
|
32점 (16점/커먼 2 회로)
|
|
내부 소비 전류
|
DC5V:150mA 이하
|
|
외부 공급 전원
|
DC20.4~26.4V 70mA 이상
|
|
질량
|
80g 이하
|
|
부속품
|
없음
|
|
회로 구성
|

과전류 검지시 「ERR」LED가 점등합니다.
동시에 특수 보조 릴레이의 「기본 I/O유니트 정보 영역」(A050A069CH)의 대응 비트(각 커먼에 대응)가 ON이 됩니다.
|
|
단자 접속도
|

·배선시 외부 공급 전원의 극성에 충분히 주의하여 배선해 주세요.
극성을 반대로 배선하면 부하가 오동작 할 우려가 있습니다.
·21에서 22(COM0(+V))는 반드시 양단자와도 배선해 주세요.
·1에서 2(COM1(+V))는 반드시 양단자와도 배선해 주세요.
·3에서 4(0 V)는 반드시 양단자와도 배선해 주세요.
·23에서 24(0 V)는 반드시 양단자와도 배선해 주세요.
|
| |
|
|
|
트랜지스터 출력 유니트 64점 CJ1W-OD262
|
|
|
명칭
|
트랜지스터 출력 유니트 (MIL 커넥터, 소스 타입, 64점)
|
|
형식
|
CJ1W-OD262
|
|
정격 전압
|
DC12~24V
|
|
사용 부하 전압 범위
|
DC10.2~26.4V
|
|
최대 부하 전류
|
0.3 A/점, 1.6 A/커먼, 6.4 A/유니트
|
|
최대 돌입전류
|
3.0 A/점, 10ms 이하
|
|
누설 전류
|
0.1mA 이하
|
|
잔류 전압
|
1.5V 이하
|
|
ON 응답 시간
|
0.5ms 이하
|
|
OFF 응답 시간
|
1.0ms 이하
|
|
절연 저항
|
외부 단자 일괄과 GR단자간 20MΩ (DC100V에서)
|
|
내전압
|
외부 단자 일괄과 GR단자간 AC1000V 1분간 누설 전류 10mA 이하
|
|
회로 수
|
64점(16점/커먼 4 회로)
|
|
내부 소비 전류
|
DC5V:170mA 이하
|
|
휴즈
|
없음
|
|
외부 공급 전원
|
DC10.2~26.4V 50mA 이상
|
|
질량
|
110g 이하
|
|
부속품
|
없음
|
|
회로 구성
|

|
|
단자 접속도
|
 
·배선시 외부 공급 전원의 극성에 충분히 주의하여 배선해 주세요.
극성을 반대로 배선하면 부하가 오동작 할 우려가 있습니다.
·CN1의 21에서 22(COM0(+V))는 반드시 양단자와도 배선해 주세요.
·CN1의 1에서 2(COM1(+V))는 반드시 양단자와도 배선해 주세요.
·CN1의 23에서 24(0V)는 반드시 양단자와도 배선해 주세요.
·CN1의 3에서 4(0V)는 반드시 양단자와도 배선해 주세요.
·CN2의 21에서 22(COM2(+V))는 반드시 양단자와도 배선해 주세요.
·CN2의 1에서 2(COM3(+V))는 반드시 양단자와도 배선해 주세요.
·CN2의 23에서 24(0V)는 반드시 양단자와도 배선해 주세요.
·CN2의 3에서 4(0V)는 반드시 양단자와도 배선해 주세요.
|
| |
|
|
|
|
8점 출력 유니트
|
CIO 주소 할당
|
신호 명칭
|
|
CH
|
비트
|
|
mCH
(출력)
|
0
|
OUT0
|
|
1
|
OUT1
|
|
:
|
:
|
|
6
|
OUT6
|
|
7
|
OUT7
|
|
8
|
−
|
|
9
|
−
|
|
:
|
:
|
|
14
|
−
|
|
15
|
−
|
32점 츌력 유니트
|
CIO 주소 할당
|
신호 명칭
|
|
CH
|
비트
|
|
mCH
(출력)
|
0
|
OUT0
|
|
1
|
OUT1
|
|
:
|
:
|
|
14
|
OUT14
|
|
15
|
OUT15
|
|
(m+1)CH
(출력)
|
0
|
OUT0
|
|
1
|
OUT1
|
|
:
|
:
|
|
14
|
OUT14
|
|
15
|
OUT15
|
|
|
16점 출력 유니트
|
CIO 주소 할당
|
신호 명칭
|
|
CH
|
비트
|
|
mCH
(출력)
|
0
|
OUT0
|
|
1
|
OUT1
|
|
:
|
:
|
|
14
|
OUT14
|
|
15
|
OUT15
|
64점 출력 유니트
|
CIO 주소 할당
|
신호 명칭
|
|
CH
|
비트
|
|
mCH
(출력)
|
0
|
OUT0
|
|
1
|
OUT1
|
|
:
|
:
|
|
14
|
OUT14
|
|
15
|
OUT15
|
|
(m+1)CH
(출력)
|
0
|
OUT0
|
|
1
|
OUT1
|
|
:
|
:
|
|
14
|
OUT14
|
|
15
|
OUT15
|
|
(m+2)CH
(출력)
|
0
|
OUT0
|
|
1
|
OUT1
|
|
:
|
:
|
|
14
|
OUT14
|
|
15
|
OUT15
|
|
(m+3)CH
(출력)
|
0
|
OUT0
|
|
1
|
OUT1
|
|
:
|
:
|
|
14
|
OUT14
|
|
15
|
OUT15
|
|
|
|
|
|
|
|