OMRON IA Global
Sitemap Login Sign Up
환형 방수 커넥터 (M8/S8)
XS3
소형 방수 환형 커넥터
※ XS3H 시리즈 일부 상품, XS3M-K421-1Z, XS3P-M422-S002, XS3W-M421-402-AZZ는 2016년 3월말 생산종료. 자세한 사항은 생산중지/추천대체상품가이드를 참조하시기 바랍니다.
 마이 페이지에 스크랩하기
Service Info
    대체상품보기
대체상품이 존재하지 않습니다.
   Select Country
    XS3
일본(일문) 
Global(영문) 
싱가폴(영문) 
중국(중문) 
특징
|
종류
|
상세사양
외형도
자료 다운로드
|

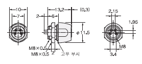
(단위 : mm)

XS3W

나사 고정 타입 (M8) 로봇 (내진용) 케이블 상품 XS3W-M42 □ -4 □ □-R

스냅인 타입 (S8) 로봇 (내진 용) 케이블 제품 XS3W-S42 □ -4 □ □-R

XS3F 케이블 부착 커넥터 소켓 편측 커넥터

나사 고정 타입 (M8) 로봇(내진용) 케이블 상품 / 표준 케이블 XS3F-□ 42 □ -4 □ □ - □

스냅 인 타입 (S8) 로봇(내진용) 케이블 상품 XS3F-S42 □ -4 □ □-R

XS3H 커넥터 케이블 플러그 편측 커넥터

나사 고정 타입(M8) 로봇(내진용) 케이블 상품 XS3H-M42 □ -4 □ □-R


스냅 인 타입 (S8) 로봇(내진용) 케이블 상품 XS3H-S42 □ -4 □ □-R


XS3P 중계 박스용 커넥터 소켓 (판넬 설치 타입)

나사 고정 타입 (M8)

XS3P-M421-1 (딥 단자)


XS3P-M421-2 (납땜 컵 단자)


XS3P-M422-2 (납땜 컵 단자) 
리어 잠금 슬림 타입


스냅 인 타입 (S8)

XS3P-S421-1 (딥 단자)



XS3P-S421-2 (납땜 컵 단자)



XS3M 센서 내장형 커넥터 플러그

XS3M-K421-1 
(나사부 매립 타입 딥 단자)

XS3M-K421-2 
(나사부 매립 타입 · 납땜 컵 단자)

XS3 공통의 커넥터용 커버

더스트 커버

더스트 커버는 방진용입니다. 보호 구조 IP67의 성능은 없습니다. 
커넥터에 장착할 때에는 커넥터의 설치부에 충분히 밀어 넣어 주십시오.

XS3R Y 자형 조인트 플러그 / 소켓

나사 고정 타입 (M8)

XS3R-M426-1 □ □ 1-A 
(Y 자형 조인트 플러그 / 소켓 양측 커넥터)



XS3R-M426-1 □ □ 0-A 

(Y 자형 조인트 / 소켓 편측 커넥터)



XS3R-M426-□ 

(Y 자형 조인트 플러그 / 소켓 케이블 없음)


Top of page
한국오므론제어기기주식회사
서울 서초구 강남대로 465, B동 18층 (서초동, 교보빌딩) 대표:김영호 / 사업장등록번호 : 211-87-79826
OMRON Korea | 개인정보 처리방침 | 이용약관 및 권장환경 | 마케팅 정보 활용방침 | 주문에 관한 동의 사항 |
한국 Autonics사에 대한 특허권 침해 소송 제기와 소송 판결(승소)의 통지
Copyright (C) 2008-2024 Omron Electronics Korea Co., Ltd. All Rights Reserved.