OMRON IA Global
Sitemap Login Sign Up
앰프 내장 CMOS 레이저 센서
ZX0
0.1㎜ 단차를 절대 안정 검출

※ZX0-LD50A61 2M, ZX0-XC10R, ZX0-XC20R 을 제외한 모델은 ZX1로 대체하여 사용하여 주시기 바랍니다.
 마이 페이지에 스크랩하기
Service Info
    대체상품보기
대체상품이 존재하지 않습니다.
   Select Country
    ZX0
일본(일문) 
특징
|
종류
|
상세사양
외형도
자료 다운로드
|

본체

코드 인출 타입
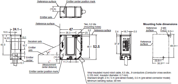
ZX0-LD50A□1
ZX0-LD100A□1
커넥터 중계 타입
ZX0-LD50A□6
ZX0-LD100A□6

 

ZX1-LD50A[]1_Dim

ZX0-LD50□: L = 50, A = 21°
    ZX0-LD100□: L = 100, A = 11.5°

 

코드 인출 타입
ZX0-LD300A□1
ZX0-LD600A□1

커넥터 중계 타입
ZX0-LD300A□6
ZX0-LD600A□6
 

ZX1-LD300A[]1_Dim

* ZX0-LD300□: L = 300, A = 6.6°
   ZX0-LD600□: L = 600, A = 3.4°

 표시·조작부

Display, Indicators, and Controls_Fig

커넥터 중계 타입의 커넥터부

Pre-wired connector_Dim


액세서리 (단품)

연장 코드
ZX0-XC10R (10m)
ZX0-XC20R (20m)

ZX0-XC10R_Dim

* 케이블 길이(L)는 다음과 같습니다.
   ZX0-XC10R: 10m, ZX0-XC20R: 20m


설치 금속구(ZX0-LD50□/ZX0-LD100□용) 
E39-L180

E39-L180_Dim

재질: Stainless steel (SUS304)
두께: 2.0mm
액세서리: Two phillips screws (M3 × 30, P = 0.5, Stainless steel) and one nut plate

설치 금속구(ZX0-LD300□/ZX0-LD600□ 용)
E39-L181

E39-L181_Dim
 

설치 방법 (ZX0-LD50□/ZX0-LD100□)
설치 금속구(E39-L180) 사용하는 경우

Using E39-L180 Mounting Bracket_Dim

설치 방법(ZX0-LD300□/ZX0-LD600□)
설치 금속구 E39-L181 사용하는 경우

Using E39-L181 Mounting Bracket_Dim


 
Top of page
한국오므론제어기기주식회사
서울 서초구 강남대로 465, B동 18층 (서초동, 교보빌딩) 대표:김영호 / 사업장등록번호 : 211-87-79826
OMRON Korea | 개인정보 처리방침 | 이용약관 및 권장환경 | 마케팅 정보 활용방침 | 주문에 관한 동의 사항 |
한국 Autonics사에 대한 특허권 침해 소송 제기와 소송 판결(승소)의 통지
Copyright (C) 2008-2024 Omron Electronics Korea Co., Ltd. All Rights Reserved.