OMRON IA Global
Sitemap Login Sign Up
스마트 계측 감시 장비
KE1 (생산중지예정 2024-03-31)
업계 최초! 유니트 구조로 전력, 누전 모니터를 1대로 실현!
1대로 다회로 계측에도 대응

2024년 03월 수주 종료 예정
 마이 페이지에 스크랩하기
Service Info
    대체상품보기
대체상품이 존재하지 않습니다.
   Select Country
    KE1
일본(일문) 
특징
|
종류
|
상세사양
외형도
자료 다운로드
|

KE1-PGR1C-FLK/PVS1C-FLK/VSU1B-FLK / 
VAU1B-FLK/CTD8E/ZCT8E

KE1-DRT-FLK

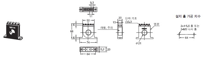
KM20-CTF-5A

 

KM20-CTF-50A

KM20-CTF-100A

 

KM20-CTF-200A

KM20-CTF-400A/600A

KM20-CTB-5A/50A

KM20-CTF-CB3 (전용 CT 케이블)

실내 관통형 
OTG-L21 (50A)

실내 관통형 
OTG-L30 (100A)

실내 관통형 
OTG-L42 (200A)

실내 관통형 
OTG-L68 (400A)

실내 관통형 
OTG-L82 (600A)

실내 관통형 
OTG-L156 (1,000 A)

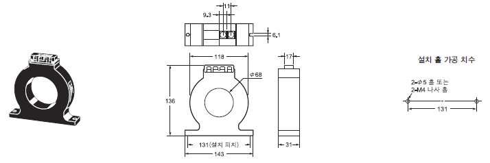
실내 분할형 
OTG-CN52 (200A)

실내 분할형 
OTG-CN77 (400A)

실내 분할형 
OTG-CN112 (600A)

실외 관통형 
OTG-LA30W (100A)

실외 관통형 
OTG-CN36W (150A)

실내 분할형 
K6ER-CN22 (2A)

통신 변환기 
K3SC-10

주. DIN 레일에 설치할 수 있습니다.

Top of page
한국오므론제어기기주식회사
서울 서초구 강남대로 465, B동 18층 (서초동, 교보빌딩) 대표:김영호 / 사업장등록번호 : 211-87-79826
OMRON Korea | 개인정보 처리방침 | 이용약관 및 권장환경 | 마케팅 정보 활용방침 | 주문에 관한 동의 사항 |
한국 Autonics사에 대한 특허권 침해 소송 제기와 소송 판결(승소)의 통지
Copyright (C) 2008-2024 Omron Electronics Korea Co., Ltd. All Rights Reserved.