OMRON IA Global
Sitemap Login Sign Up
공유 소켓
P2RF,P7TF,PY,PTF,PYD,PT,P7S,PF,P2CF,P3G/
P3GA,PL
각형 소켓, 환형 소켓 및 유지 브라켓, 릴레이 소켓 PYF 용 연결바



PYC-A2는 2022년 3월, P2RF-05(-E)/-08(-E), PTF08(14)AE, PYC-2/-3/-5는 2023년 3월 주문 종료 예정
 마이 페이지에 스크랩하기
Service Info
    대체상품보기
대체상품이 존재하지 않습니다.
   Select Country
    P2RF,P7TF,PY,PTF,PYD,PT,P7S,PF,P2CF,P3G/P3GA,PL
일본(일문) 
특징
|
종류
|
상세사양
외형도
자료 다운로드
|

단위 : mm)

P2RF

P2RF-05 (단극)

P2RF, P2R, P7TF, PYF, PY, PTF, PYD, PT, P7LF, PF, P2CF, PFA, P3G / P3GA, PL 치수 2

P2RF-05-E (1 극) (손가락 보호 구조)

P2RF, P2R, P7TF, PYF, PY, PTF, PYD, PT, P7LF, PF, P2CF, PFA, P3G / P3GA, PL 치수 3

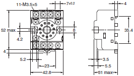
P2RF-08 (두 극)

P2RF, P2R, P7TF, PYF, PY, PTF, PYD, PT, P7LF, PF, P2CF, PFA, P3G / P3GA, PL 치수 4

P2RF-08-E (2 극) (손가락 보호 구조)

P2RF, P2R, P7TF, PYF, PY, PTF, PYD, PT, P7LF, PF, P2CF, PFA, P3G / P3GA, PL 치수 5

참고 : I / O SSR 또는 표시기 모듈을 사용하는 경우 단자 1의 극성이 음수입니다.

P2R

P2R-05P (단극)

P2RF, P2R, P7TF, PYF, PY, PTF, PYD, PT, P7LF, PF, P2CF, PFA, P3G / P3GA, PL 치수 8

P2R-08P (두 극)

P2RF, P2R, P7TF, PYF, PY, PTF, PYD, PT, P7LF, PF, P2CF, PFA, P3G / P3GA, PL 치수 9

P2R-057P (단극)

P2RF, P2R, P7TF, PYF, PY, PTF, PYD, PT, P7LF, PF, P2CF, PFA, P3G / P3GA, PL 치수 10

P2R-087P (두 극)

P2RF, P2R, P7TF, PYF, PY, PTF, PYD, PT, P7LF, PF, P2CF, PFA, P3G / P3GA, PL 치수 11

P2R-05A (단극)

P2RF, P2R, P7TF, PYF, PY, PTF, PYD, PT, P7LF, PF, P2CF, PFA, P3G / P3GA, PL 치수 12

P2R-08A (두 극)

P2RF, P2R, P7TF, PYF, PY, PTF, PYD, PT, P7LF, PF, P2CF, PFA, P3G / P3GA, PL 치수 13

참고 : I / O SSR 또는 표시기 모듈을 사용하는 경우 단자 1의 극성이 음수입니다.

P7TF

P7TF-05

P2RF, P2R, P7TF, PYF, PY, PTF, PYD, PT, P7LF, PF, P2CF, PFA, P3G / P3GA, PL 치수 16

참고 : I / O SSR 또는 표시기 모듈을 사용하는 경우 단자 1의 극성이 양극입니다.

PYFZ / PYF

PYFZ-08

P2RF, P2R, P7TF, PYF, PY, PTF, PYD, PT, P7LF, PF, P2CF, PFA, P3G / P3GA, PL 치수 19

PYFZ-08-E (손가락 보호 구조)

P2RF, P2R, P7TF, PYF, PY, PTF, PYD, PT, P7LF, PF, P2CF, PFA, P3G / P3GA, PL 치수 20

PYF08A

P2RF, P2R, P7TF, PYF, PY, PTF, PYD, PT, P7LF, PF, P2CF, PFA, P3G / P3GA, PL 치수 21

PYF08A-E (손가락 보호 구조)

P2RF, P2R, P7TF, PYF, PY, PTF, PYD, PT, P7LF, PF, P2CF, PFA, P3G / P3GA, PL 치수 22

PYF08M

P2RF, P2R, P7TF, PYF, PY, PTF, PYD, PT, P7LF, PF, P2CF, PFA, P3G / P3GA, PL 치수 23

PYF11A

P2RF, P2R, P7TF, PYF, PY, PTF, PYD, PT, P7LF, PF, P2CF, PFA, P3G / P3GA, PL 치수 24

PYFZ-14

P2RF, P2R, P7TF, PYF, PY, PTF, PYD, PT, P7LF, PF, P2CF, PFA, P3G / P3GA, PL 치수 25

PYFZ-14-E (손가락 보호 구조)

P2RF, P2R, P7TF, PYF, PY, PTF, PYD, PT, P7LF, PF, P2CF, PFA, P3G / P3GA, PL 치수 26

PYF14A

P2RF, P2R, P7TF, PYF, PY, PTF, PYD, PT, P7LF, PF, P2CF, PFA, P3G / P3GA, PL 치수 27

PYF14A-E (손가락 보호 구조)

P2RF, P2R, P7TF, PYF, PY, PTF, PYD, PT, P7LF, PF, P2CF, PFA, P3G / P3GA, PL 치수 28

PYFZ / PYF 용 릴레이 소켓 및 쇼트 바

동일한 소켓 내의 브리지

PYD-020B [] (2P)

P2RF, P2R, P7TF, PYF, PY, PTF, PYD, PT, P7LF, PF, P2CF, PFA, P3G / P3GA, PL 치수 31

PYD-030B [] (3P)

P2RF, P2R, P7TF, PYF, PY, PTF, PYD, PT, P7LF, PF, P2CF, PFA, P3G / P3GA, PL 치수 32

인접한 소켓 사이의 브릿지

PYD-025B [] (2P)

P2RF, P2R, P7TF, PYF, PY, PTF, PYD, PT, P7LF, PF, P2CF, PFA, P3G / P3GA, PL 치수 34

PYD-085B [] (8P)

P2RF, P2R, P7TF, PYF, PY, PTF, PYD, PT, P7LF, PF, P2CF, PFA, P3G / P3GA, PL 치수 35

PYD-026B [] (2P)

P2RF, P2R, P7TF, PYF, PY, PTF, PYD, PT, P7LF, PF, P2CF, PFA, P3G / P3GA, PL 치수 36

PYD-086B [] (8P)

P2RF, P2R, P7TF, PYF, PY, PTF, PYD, PT, P7LF, PF, P2CF, PFA, P3G / P3GA, PL 치수 37

PYFZ-08 / PYFZ-14 용 터미널 커버

단자 커버가있는 치수

PYCZ-C08

P2RF, P2R, P7TF, PYF, PY, PTF, PYD, PT, P7LF, PF, P2CF, PFA, P3G / P3GA, PL 치수 40

PYCZ-C14

P2RF, P2R, P7TF, PYF, PY, PTF, PYD, PT, P7LF, PF, P2CF, PFA, P3G / P3GA, PL 치수 41

PY

PY08
PY08-Y1 (L = 42 최대)
PY08-Y13 (L = 60 최대)

P2RF, P2R, P7TF, PYF, PY, PTF, PYD, PT, P7LF, PF, P2CF, PFA, P3G / P3GA, PL 치수 43

PY08QN
PY08QN2
PY08QN-Y1
PY08QN2-Y1

P2RF, P2R, P7TF, PYF, PY, PTF, PYD, PT, P7LF, PF, P2CF, PFA, P3G / P3GA, PL 치수 44

PY08-02

P2RF, P2R, P7TF, PYF, PY, PTF, PYD, PT, P7LF, PF, P2CF, PFA, P3G / P3GA, PL 치수 45

PY11
PY11-Y1

P2RF, P2R, P7TF, PYF, PY, PTF, PYD, PT, P7LF, PF, P2CF, PFA, P3G / P3GA, PL 치수 46

PY11QN
PY11QN2
PY11QN-Y1
PY11QN2-Y1

P2RF, P2R, P7TF, PYF, PY, PTF, PYD, PT, P7LF, PF, P2CF, PFA, P3G / P3GA, PL 치수 47

PY11-02

P2RF, P2R, P7TF, PYF, PY, PTF, PYD, PT, P7LF, PF, P2CF, PFA, P3G / P3GA, PL 치수 48

PY14
PY14-Y1 (L = 42 최대)
PY14-Y3 (L = 60 최대)

P2RF, P2R, P7TF, PYF, PY, PTF, PYD, PT, P7LF, PF, P2CF, PFA, P3G / P3GA, PL 치수 49

PY14QN
PY14QN2
PY14QN-Y1 (L = 42 최대)
PY14QN2-Y1 (L = 42 최대)
PY14QN-Y3 (L = 60 최대)
PY14QN2-Y3 (L = 60 최대)

P2RF, P2R, P7TF, PYF, PY, PTF, PYD, PT, P7LF, PF, P2CF, PFA, P3G / P3GA, PL 치수 50

PY14-02

P2RF, P2R, P7TF, PYF, PY, PTF, PYD, PT, P7LF, PF, P2CF, PFA, P3G / P3GA, PL 치수 51

 

참고 : 1. 소켓에 소켓을 장착 할 때 두께가 1-2 mm 인 패널을 사용하십시오.
           2. MY4 시리즈, MY4H, MYQ4 (Z) 또는 MY2K에 PY14-Y1 또는 PY14QN-Y1을 사용할 수 있습니다.
           3. H3Y 타이머에 PY14-Y3 또는 PY14QN-Y3을 사용할 수 있습니다.

 

PTF

PTF08A

P2RF, P2R, P7TF, PYF, PY, PTF, PYD, PT, P7LF, PF, P2CF, PFA, P3G / P3GA, PL 치수 54

PTF08A-E (손가락 보호 구조)

P2RF, P2R, P7TF, PYF, PY, PTF, PYD, PT, P7LF, PF, P2CF, PFA, P3G / P3GA, PL 치수 55

PTF11A

P2RF, P2R, P7TF, PYF, PY, PTF, PYD, PT, P7LF, PF, P2CF, PFA, P3G / P3GA, PL 치수 56

PTF14A

P2RF, P2R, P7TF, PYF, PY, PTF, PYD, PT, P7LF, PF, P2CF, PFA, P3G / P3GA, PL 치수 57

PTF14A-E (손가락 보호 구조)

P2RF, P2R, P7TF, PYF, PY, PTF, PYD, PT, P7LF, PF, P2CF, PFA, P3G / P3GA, PL 치수 58

 

참고 : LY1 릴레이와 함께 PTF08A, PTF08A-E 또는 PT08을 사용하는 경우 1-2, 3-4 및
          5-6 (10A 이상에서 사용) 터미널 쌍을 연결하십시오 .

 

PT

PT08

P2RF, P2R, P7TF, PYF, PY, PTF, PYD, PT, P7LF, PF, P2CF, PFA, P3G / P3GA, PL 치수 61

PT08QN

P2RF, P2R, P7TF, PYF, PY, PTF, PYD, PT, P7LF, PF, P2CF, PFA, P3G / P3GA, PL 치수 62

PT08-0

P2RF, P2R, P7TF, PYF, PY, PTF, PYD, PT, P7LF, PF, P2CF, PFA, P3G / P3GA, PL 치수 63

PT11

P2RF, P2R, P7TF, PYF, PY, PTF, PYD, PT, P7LF, PF, P2CF, PFA, P3G / P3GA, PL 치수 64

PT11QN

P2RF, P2R, P7TF, PYF, PY, PTF, PYD, PT, P7LF, PF, P2CF, PFA, P3G / P3GA, PL 치수 65

PT11-0

P2RF, P2R, P7TF, PYF, PY, PTF, PYD, PT, P7LF, PF, P2CF, PFA, P3G / P3GA, PL 치수 66

PT14

P2RF, P2R, P7TF, PYF, PY, PTF, PYD, PT, P7LF, PF, P2CF, PFA, P3G / P3GA, PL 치수 67

PT14QN

P2RF, P2R, P7TF, PYF, PY, PTF, PYD, PT, P7LF, PF, P2CF, PFA, P3G / P3GA, PL 치수 68

PT14-0

P2RF, P2R, P7TF, PYF, PY, PTF, PYD, PT, P7LF, PF, P2CF, PFA, P3G / P3GA, PL 치수 69

참고 : 소켓을 장착 할 때는 두께가 1-2 mm 인 패널을 사용하십시오.

P7LF

P7LF-06

P2RF, P2R, P7TF, PYF, PY, PTF, PYD, PT, P7LF, PF, P2CF, PFA, P3G / P3GA, PL 치수 72

PF

PF083A

P2RF, P2R, P7TF, PYF, PY, PTF, PYD, PT, P7LF, PF, P2CF, PFA, P3G / P3GA, PL 치수 74

PF083A-E

P2RF, P2R, P7TF, PYF, PY, PTF, PYD, PT, P7LF, PF, P2CF, PFA, P3G / P3GA, PL 치수 75

PF085A

P2RF, P2R, P7TF, PYF, PY, PTF, PYD, PT, P7LF, PF, P2CF, PFA, P3G / P3GA, PL 치수 76

PF113A

P2RF, P2R, P7TF, PYF, PY, PTF, PYD, PT, P7LF, PF, P2CF, PFA, P3G / P3GA, PL 치수 77

PF113A-E

P2RF, P2R, P7TF, PYF, PY, PTF, PYD, PT, P7LF, PF, P2CF, PFA, P3G / P3GA, PL 치수 78

 

주의 : 1. PF083A 및 PF113A의 경우 소켓 키 슬롯이 맨 위에 있습니다. (적용 가능한 모델 : MK)
           2. [] -E 모델의 구조는 손가락 보호 기능을 제공합니다. 둥근 단자는 사용할 수 없습니다. 포크 압착
                단자를 사용하십시오 .

 

P2CF

P2CF-08

P2RF, P2R, P7TF, PYF, PY, PTF, PYD, PT, P7LF, PF, P2CF, PFA, P3G / P3GA, PL 치수 81

P2CF-08-E

P2RF, P2R, P7TF, PYF, PY, PTF, PYD, PT, P7LF, PF, P2CF, PFA, P3G / P3GA, PL 치수 82

P2CF-11

P2RF, P2R, P7TF, PYF, PY, PTF, PYD, PT, P7LF, PF, P2CF, PFA, P3G / P3GA, PL 치수 83

P2CF-11-E

P2RF, P2R, P7TF, PYF, PY, PTF, PYD, PT, P7LF, PF, P2CF, PFA, P3G / P3GA, PL 치수 84

PFA

8PFA

P2RF, P2R, P7TF, PYF, PY, PTF, PYD, PT, P7LF, PF, P2CF, PFA, P3G / P3GA, PL 치수 86

8PFA1

P2RF, P2R, P7TF, PYF, PY, PTF, PYD, PT, P7LF, PF, P2CF, PFA, P3G / P3GA, PL 치수 87

11PFA

P2RF, P2R, P7TF, PYF, PY, PTF, PYD, PT, P7LF, PF, P2CF, PFA, P3G / P3GA, PL 치수 88

14PFA

P2RF, P2R, P7TF, PYF, PY, PTF, PYD, PT, P7LF, PF, P2CF, PFA, P3G / P3GA, PL 치수 89

P3G / P3GA

P3G-08

P2RF, P2R, P7TF, PYF, PY, PTF, PYD, PT, P7LF, PF, P2CF, PFA, P3G / P3GA, PL 치수 91

P3GA-11

P2RF, P2R, P7TF, PYF, PY, PTF, PYD, PT, P7LF, PF, P2CF, PFA, P3G / P3GA, PL 치수 92

터미널 커버

Y92A-48G

P2RF, P2R, P7TF, PYF, PY, PTF, PYD, PT, P7LF, PF, P2CF, PFA, P3G / P3GA, PL 치수 94

PL

PL08

P2RF, P2R, P7TF, PYF, PY, PTF, PYD, PT, P7LF, PF, P2CF, PFA, P3G / P3GA, PL 치수 96

PL08-Q

P2RF, P2R, P7TF, PYF, PY, PTF, PYD, PT, P7LF, PF, P2CF, PFA, P3G / P3GA, PL 치수 97

PLE08-0

P2RF, P2R, P7TF, PYF, PY, PTF, PYD, PT, P7LF, PF, P2CF, PFA, P3G / P3GA, PL 치수 98

PL11

P2RF, P2R, P7TF, PYF, PY, PTF, PYD, PT, P7LF, PF, P2CF, PFA, P3G / P3GA, PL 치수 99

PL11-Q

P2RF, P2R, P7TF, PYF, PY, PTF, PYD, PT, P7LF, PF, P2CF, PFA, P3G / P3GA, PL 치수 100

PLE11-0

P2RF, P2R, P7TF, PYF, PY, PTF, PYD, PT, P7LF, PF, P2CF, PFA, P3G / P3GA, PL 치수 101

PL15

P2RF, P2R, P7TF, PYF, PY, PTF, PYD, PT, P7LF, PF, P2CF, PFA, P3G / P3GA, PL 치수 102

PL20

P2RF, P2R, P7TF, PYF, PY, PTF, PYD, PT, P7LF, PF, P2CF, PFA, P3G / P3GA, PL 치수 103

참고 : 장착시 적용 가능한 계전기의 키 홈 방향에주의하십시오.

정보 갱신 : 2019/09/02
Top of page
한국오므론제어기기주식회사
서울 서초구 강남대로 465, B동 18층 (서초동, 교보빌딩) 대표:김영호 / 사업장등록번호 : 211-87-79826
OMRON Korea | 개인정보 처리방침 | 이용약관 및 권장환경 | 마케팅 정보 활용방침 | 주문에 관한 동의 사항 |
한국 Autonics사에 대한 특허권 침해 소송 제기와 소송 판결(승소)의 통지
Copyright (C) 2008-2024 Omron Electronics Korea Co., Ltd. All Rights Reserved.