HOME
오므론 제공가치
비전
컨셉 [i-Automation]
사람을 뛰어넘는 자동화
사람과 기계의 고도 협력
디지털 엔지니어링 혁신
오므론의 강점
Automation Center
ATC 서울
PoC & RTC
글로벌 ATC
생산 거점
아야베 공장
쿠사츠 공장
상하이 공장
네덜란드 공장
회사 소개
대표이사 메세지
회사 개요
조직
기업 이념
찾아오시는 길
고객 지원
FAQ
고객문의
제품 AS 안내
대리점 및 관련 회사 소개
GLOBAL NETWORK
GLOBAL SERVICE
상품 정보
상품 정보
어플리케이션 사례
제품 보안에 대한 노력
서비스
생산 중지 안내
인증 조회 (CE,UL,CCC,CSA)
인증서
검사성적서
교육
정기 교육 과정
비정기 교육 과정
연간 교육 일정
교육장 위치
세이프티 컨설팅
OMRON IA Global
Sitemap
Login
Sign Up
Home >
Product
>
로보틱스
>
스칼라로봇
> Cobra 500
Local Navigation
로보틱스
물류 솔루션
병렬로봇
스칼라로봇
로봇컨트롤러
수직다관절로봇
비전시스템
소프트웨어
참고 동영상
모바일로봇
협동로봇
부품 피더
센서
스위치
세이프티
릴레이
컨트롤 콤포넌트
FA 시스템 기기
서보/드라이버
로보틱스
에너지 절약 지원/환경 대책 기기
전원 공급 장치/주변 장치
검사 장치
어플리케이션 사례
모션 컨트롤러 PMAC
스칼라 로봇
Cobra 500
(생산중지예정 2023-03-31)
반송 용 / 조립 용 / 정밀 가공 / 접착 용 중형 스칼라 로봇
2023년 03월 수주 종료 예정
마이 페이지에 스크랩하기
Service Info
대체상품보기
대체상품이 존재하지 않습니다.
특징
|
종류
|
상세사양
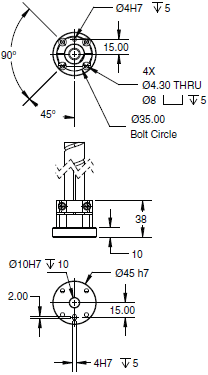
외형도
자료 다운로드
|
정보 갱신 : 2018/08/01
(단위 : mm)
Cobra 500
eMotionBlox-40M
플랜지
하단
전면 패널 (옵션)
정보 갱신 : 2018/08/01
Top of page
한국오므론제어기기주식회사
서울 서초구 강남대로 465, B동 18층 (서초동, 교보빌딩) 대표:김영호 / 사업장등록번호 : 211-87-79826
OMRON Korea
|
개인정보 처리방침
|
이용약관 및 권장환경
|
마케팅 정보 활용방침
|
주문에 관한 동의 사항
|
한국 Autonics사에 대한 특허권 침해 소송 제기와 소송 판결(승소)의 통지
Copyright (C) 2008-2024 Omron Electronics Korea Co., Ltd. All Rights Reserved.