|
|
|
|
| 소형 세이프티 리미트 스위치 |
|
|
D4N
(생산중지예정 2025-03-31)
|
|
|
|
|
|
|
접점 구성을 기존의 1NC/1NO, 2NC에 더하여 2NC/1NO, 3NC의 3접점 타입을 구성 (MBB 사양 추가)
공수 절감을 실현하여 교환 작업이 용이한 M12 커넥터 타입 발매
접촉신뢰성이 높은 Au클래드 접점을 표준 채용 - 일반부하, 미소부하에 모두 대응
납, 카드뮴, 6가 크롬을 사용하지 않아 환경 부하 저감
EN115, EN81-1 대응
저속 동작 타입, 스냅 동작 타입 모두 Zb접점 구성
UL, EN(TUV), CCC 규격 취득
일부 상품은 2025 년 3 월 수주 종료 예정
|
|
|
|
|
|
|
|
|
|
|
|
|
|
|
|
|
|
| Service Info |
 |
대체상품보기 |
|
|
대체상품이 존재하지 않습니다.
|
|
|
|
|
|
|
Switches
1-conduit Models
Roller Lever (Resin Lever, Resin Roller)
D4N-1[]20, D4N-2[]20
D4N-3[]20, D4N-4[]20
D4N-9[]20*
Roller Lever (Metal Lever, Resin Roller)
D4N-1[]22, D4N-2[]22
D4N-3[]22, D4N-4[]22
D4N-9[]22*
Roller Lever (Metal Lever, Metal Roller)
D4N-1[]25, D4N-2[]25
D4N-3[]25, D4N-4[]25
D4N-9[]25*
Roller Lever (Metal Lever, Bearing Roller)
D4N-1[]26, D4N-2[]26
D4N-3[]26, D4N-4[]26
D4N-9[]26*
Note: Unless otherwise specified, a tolerance of ±0.4 mm applies to all dimensions.
*Refer to following diagrams for details on M12 connectors.
Snap-action (1NC/1NO) (2NC), Slow-action (2NC) (3NC)
Note: Variation occurs in the simultaneity of contact opening/closing operations of 2NC, 2NC/1NO, and 3NC contacts. Check contact operation.
*1. Only for snap-action models.
*2. Reference value.
*3. For safe use, always make sure that the minimum values or greater are provided.
Slow-action (1NC/1NO) (2NC/1NO)
*1. These PT values are possible when the NC contacts are open (OFF).
*2. These PT values are possible when the NO contacts are closed (ON).
*3. Only for MBB models.
*4. Reference values for MBB models only.
*5. Reference values.
*6. For safe use, always make sure that the minimum values or greater are provided.
Plunger
D4N-1[]31, D4N-2[]31
D4N-3[]31, D4N-4[]31
D4N-9[]31*
Roller Plunger
D4N-1[]32, D4N-2[]32
D4N-3[]32, D4N-4[]32
D4N-9[]32*
One-way Roller Arm Lever (Horizontal)
D4N-1[]62, D4N-2[]62
D4N-3[]62, D4N-4[]62
D4N-9[]62*
One-way Roller Arm Lever (Vertical)
D4N-1[]72, D4N-2[]72
D4N-3[]72, D4N-4[]72
D4N-9[]72*
Note: Unless otherwise specified, a tolerance of ±0.4 mm applies to all dimensions.
*Refer to following diagrams for details on M12 connectors.
Snap-action (1NC/1NO) (2NC), Slow-action (2NC) (3NC)
Note: Variation occurs in the simultaneity of contact opening/closing operations of 2NC, 2NC/1NO, and 3NC contacts. Check contact operation.
*1. Only for snap-action models.
*2. Reference value.
*3. For safe use, always make sure that the minimum values or greater are provided.
Slow-action (1NC/1NO) (2NC/1NO)
*1. These PT values are possible when the NC contacts are open (OFF).
*2. These PT values are possible when the NO contacts are closed (ON).
*3. Only for MBB models.
*4. Reference values for MBB models.
*5. Only for MBB models.
*6. Reference value.
*7. For safe use, always make sure that the minimum values or greater are provided.
Adjustable Roller Lever, Form Lock (with Metal Lever, Resin Roller)
D4N-1[]2G, D4N-2[]2G
D4N-3[]2G, D4N-4[]2G
D4N-9[]2G*
Adjustable Roller Lever, Form Lock (with Metal Lever, Rubber Roller)
D4N-1[]2H, D4N-2[]2H
D4N-3[]2H, D4N-4[]2H
D4N-9[]2H*
Note: Unless otherwise specified, a tolerance of ±0.4 mm applies to all dimensions.
*Refer to following diagrams for details on M12 connectors.
Snap-action (1NC/1NO) (2NC), Slow-action (2NC) (3NC)
Note: Variation occurs in the simultaneity of contact opening/closing operations of 2NC, 2NC/1NO, and 3NC contacts. Check contact operation.
*1. The operating characteristics of these Switches were measured with the roller lever set at 32 mm.
*2. Only for snap-action models.
*3. Reference value.
*4. For safe use, always make sure that the minimum values or greater are provided.
Slow-action (1NC/1NO) (2NC/1NO)
*1. The operating characteristics of these Switches were measured with the roller lever set at 32 mm.
*2. This PT value is possible when the NC contacts are open (OFF).
*3. This PT value is possible when the NO contacts are closed (ON).
*4. Only for MBB models.
*5. Reference value for MBB models only.
*6. Reference value.
*7. For safe use, always make sure that the minimum values or greater are provided.
1-conduit M12 Connector
D4N-9[][][]
Fork Lever Lock (Right Operation)
D4N-1[]RE, D4N-2[]RE
D4N-3[]RE, D4N-4[]RE
Fork Lever Lock (Left Operation)
D4N-1[]LE, D4N-2[]LE
D4N-3[]LE, D4N-4[]LE
Cat Whisker
D4N-1[]80, D4N-2[]80
D4N-3[]80, D4N-4[]80
Plastic Rod
D4N-1[]87, D4N-2[]87
D4N-3[]87, D4N-4[]87
Note: Unless otherwise specified, a tolerance of ±0.4 mm applies to all dimensions.
*The usable range for stainless steel wires and resin rods is 35 mm max. from the end with a total travel of 70 mm max.
Slow-action (1NC/1NO) (2NC/1NO) (2NC) (3NC)
Note: Variation occurs in the simultaneity of contact opening/closing operations of 2NC, 2NC/1NO, and 3NC contacts. Check contact operation.
Snap-action (1NC/1NO) (2NC), Slow-action (2NC) (3NC)
2-conduit Models
Roller Lever (Resin Lever, Resin Roller)
D4N-5[]20
D4N-6[]20
D4N-8[]20
Roller Lever (Metal Lever, Resin Roller)
D4N-5[]22
D4N-6[]22
D4N-8[]22
Plunger
D4N-5[]31
D4N-6[]31
D4N-8[]31
Roller Plunger
D4N-5[]32
D4N-6[]32
D4N-8[]32
Note: Unless otherwise specified, a tolerance of ±0.4 mm applies to all dimensions.
Snap-action (1NC/1NO) (2NC), Slow-action (2NC) (3NC)
Note: Variation occurs in the simultaneity of contact opening/closing operations of 2NC, 2NC/1NO, and 3NC contacts. Check contact operation.
*1. Only for snap-action models.
*2. Reference value.
*3. For safe use, always make sure that the minimum values or greater are provided.
Slow-action (1NC/1NO) (2NC/1NO)
*1. This PT value is possible when the NC contacts are open (OFF).
*2. This PT value is possible when the NO contacts are closed (ON).
*3. Only for MBB models.
*4. Reference value for MBB models.
*5. Only for MBB models.
*6. Reference value.
*7. For safe use, always make sure that the minimum values or greater are provided.
One-way Roller Arm Lever (Horizontal)
D4N-5[]62
D4N-6[]62
D4N-8[]62
One-way Roller Arm Lever (Vertical)
D4N-5[]72
D4N-6[]72
D4N-8[]72
Adjustable Roller Lever, Form Lock (with Metal Lever, Resin Roller)
D4N-6[]2G
D4N-8[]2G
Adjustable Roller Lever, Form Lock (with Metal Lever, Rubber Roller)
D4N-6[]2H
D4N-8[]2H
Note: Unless otherwise specified, a tolerance of ±0.4 mm applies to all dimensions.
Snap-action (1NC/1NO) (2NC), Slow-action (2NC) (3NC)
Note: Variation occurs in the simultaneity of contact opening/closing operations of 2NC, 2NC/1NO, and 3NC contacts. Check contact operation.
*1. The operating characteristics of these Switches were measured with the roller lever set at 30 mm.
*2. The operating characteristics of these Switches were measured with the roller lever set at 31 mm.
*3. Only for snap-action models.
*4. Reference value.
*5. For safe use, always make sure that the minimum values or greater are provided.
Slow-action (1NC/1NO) (2NC/1NO)
*1. The operating characteristics of these Switches were measured with the roller lever set at 30 mm.
*2. The operating characteristics of these Switches were measured with the roller lever set at 31 mm.
*3. This PT value is possible when the NC contacts are open (OFF).
*4. This PT value is possible when the NO contacts are closed (ON).
*5. Only for MBB models.
*6. Reference value for MBB models only.
*7. Only for MBB models.
*8. Reference value.
*9. For safe use, always make sure that the minimum values or greater are provided.
Fork Lever Lock (Right Operation)
D4N-5[]RE, D4N-6[]RE
D4N-7[]RE, D4N-8[]RE
Fork Lever Lock (Left Operation)
D4N-5[]LE, D4N-6[]LE
D4N-7[]LE, D4N-8[]LE
Cat Whisker
D4N-5[]80, D4N-6[]80
D4N-7[]80, D4N-8[]80
Plastic Rod
D4N-5[]87, D4N-6[]87
D4N-7[]87, D4N-8[]87
Note: Unless otherwise specified, a tolerance of ±0.4 mm applies to all dimensions.
*The usable range for stainless steel wires and resin rods is 35 mm max. from the end with a total travel of 70 mm max.
Slow-action (1NC/1NO) (2NC), Slow-action (2NC) (3NC)
Note: Variation occurs in the simultaneity of contact opening/closing operations of 2NC, 2NC/1NO, and 3NC contacts. Check contact operation.
Snap-action (1NC/1NO), Slow-action (2NC) (3NC)
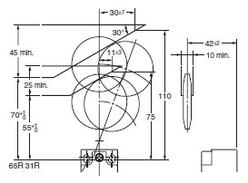
Levers
Refer to the following for the angles and positions of the watchdogs (source: EN50047.)
Roller Lever
(D4N-[][]20)
Adjustable Roller Lever, Form Lock (with Metal Lever, Resin Roller)
(D4N-[][]2G) (Reference Values)
Sealed Plunger
(D4N-[][]31)
One-way Roller Arm Lever (Horizontal)
(D4N-[][]62)
Fork Lever Lock (Right Operation)
(D4N-[][]RE)
Adjustable Roller Lever, Form Lock (with Metal Lever, Rubber Roller)
(D4N-[][]2H) (Reference Values)
Roller Plunger
(D4N-[][]32)
One-way Roller Arm Lever (Vertical)
(D4N-[][]72)(Reference Values)
Fork Lever Lock (Left Operation)
(D4N-[][]LE)
Note: Unless otherwise specified, a tolerance of ±0.4 mm applies to all dimensions.
Caution: All units are in millimeters unless otherwise indicated.
|
|
|
|
|
|