OMRON IA Global
Sitemap Login Sign Up
AC 프리 입력 축류 팬
R89F-M
전원 전압을 통일하여 설계 공수 절감
 마이 페이지에 스크랩하기
Service Info
    대체상품보기
대체상품이 존재하지 않습니다.
특징
|
종류
|
상세사양
외형도
자료 다운로드
|

(단위 : mm)

R89F-MS0938 □ AC 프리 입력 축류 팬 (□ 92 × t38 단자 타입)

R89F-MS1238 □ AC 프리 입력 축류 팬 (□ 120 × t38 단자 타입)

R89F-PC 플러그 코드

R89F-PC

참고 : 플러그 코드 단자 유형 축 팬에 적합합니다.

R87F-FG 핑거 가드

(재질 : 스틸, 조인트 : 스팟 용접, 표면 : 니켈 크롬 도금)

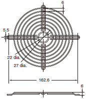
R87F-FG150

R87F-FG120

R87F-FG90

R87F-FG80

R87F-FL 필터

R87F-FL120

R87F-FL90

R87F-FL80

R87F-FL120S

주 1. 스크린 필터는 재질이 알루미늄이므로 EMI / RFI (전자기 간섭) 차폐 효과가 있습니다. 
 2. 스크린 필터를 장착하는 경우 필터가 팬 블레이드에 접촉하지 않도록 주의하시기 바랍니다. 

스크린 : 30 × 30 / 알루미늄 메쉬 (인치당 30 개의 알루미늄 선)

Top of page
한국오므론제어기기주식회사
서울 서초구 강남대로 465, B동 18층 (서초동, 교보빌딩) 대표:김영호 / 사업장등록번호 : 211-87-79826
OMRON Korea | 개인정보 처리방침 | 이용약관 및 권장환경 | 마케팅 정보 활용방침 | 주문에 관한 동의 사항 |
한국 Autonics사에 대한 특허권 침해 소송 제기와 소송 판결(승소)의 통지
Copyright (C) 2008-2024 Omron Electronics Korea Co., Ltd. All Rights Reserved.